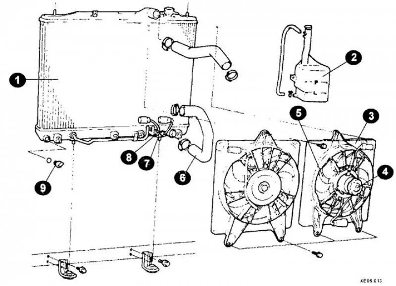
Гетц работает вентилятор