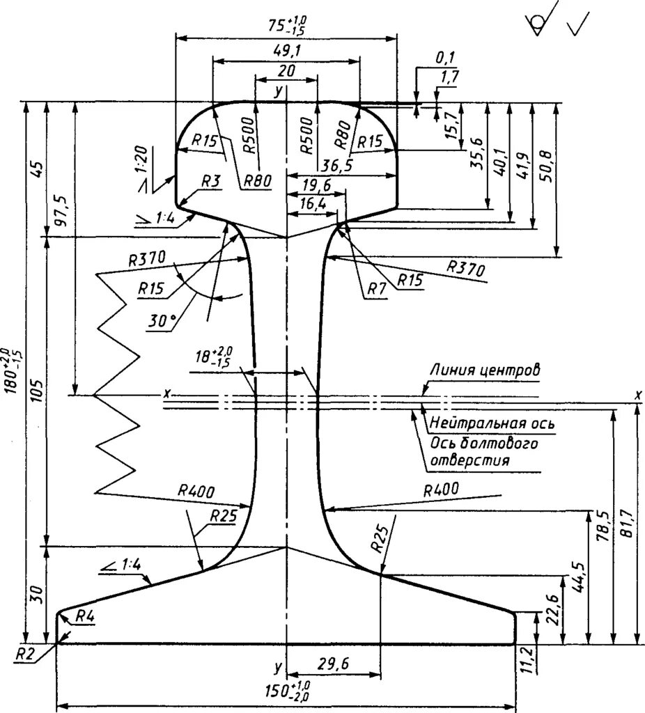
Геометрические параметры рельсов