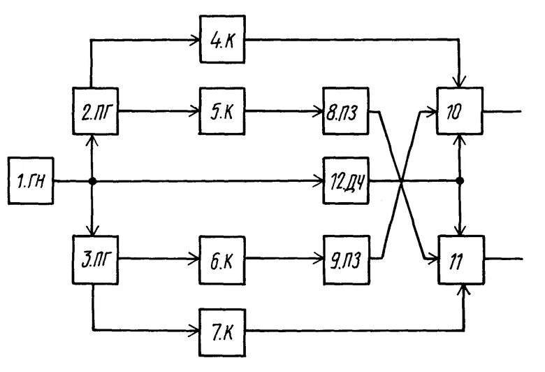
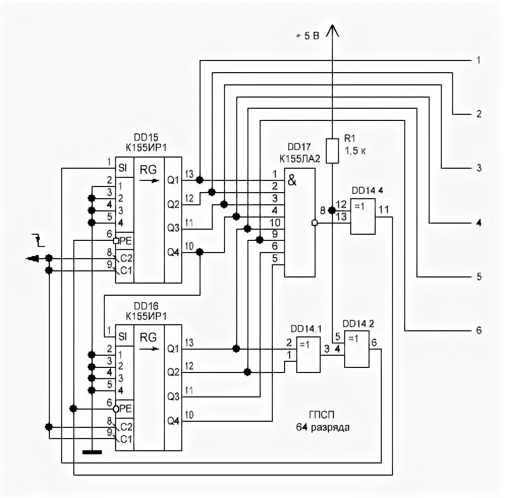
Генератор нескольких чисел