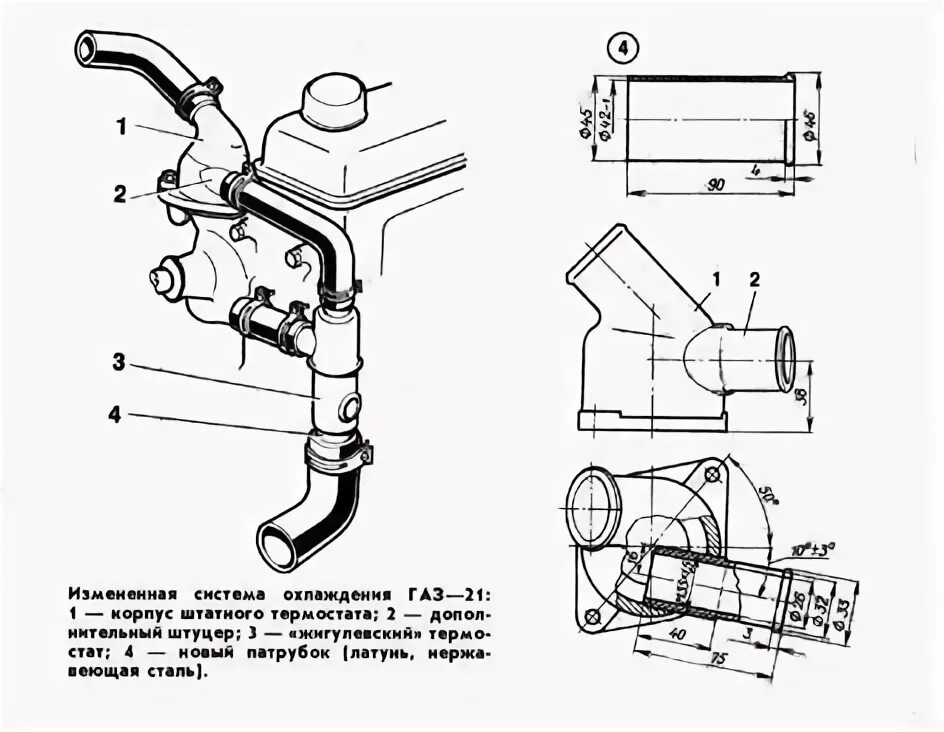
Газель карбюратор система охлаждения