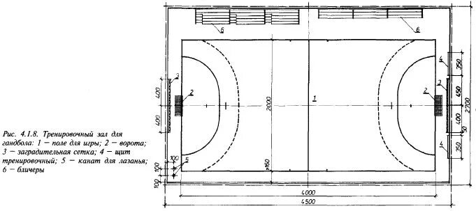
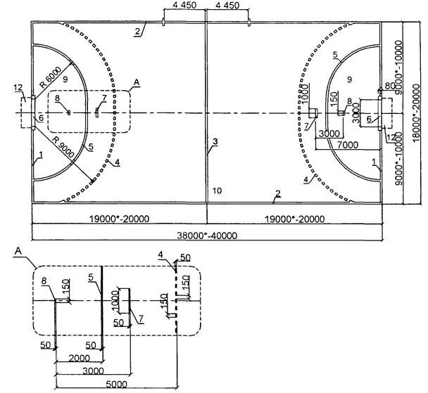
Гандбол поле размеры