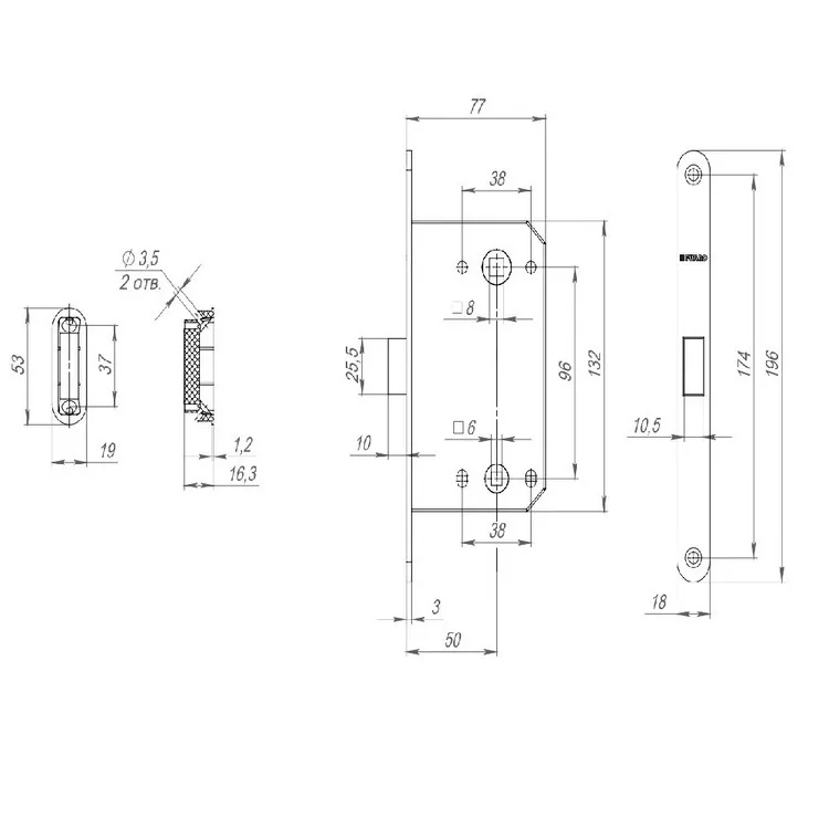
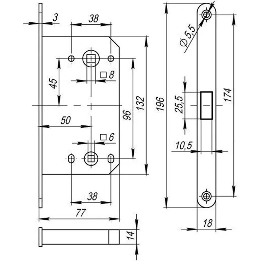
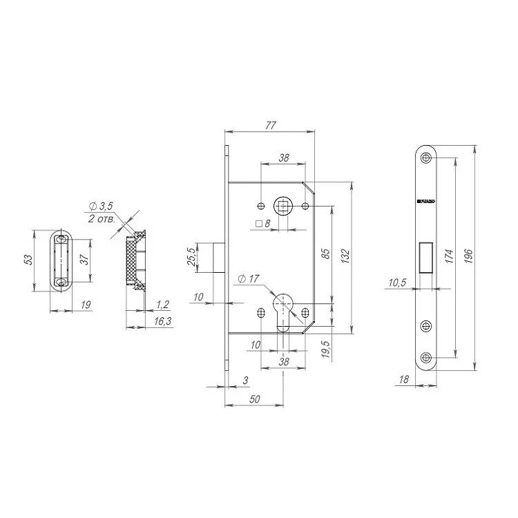
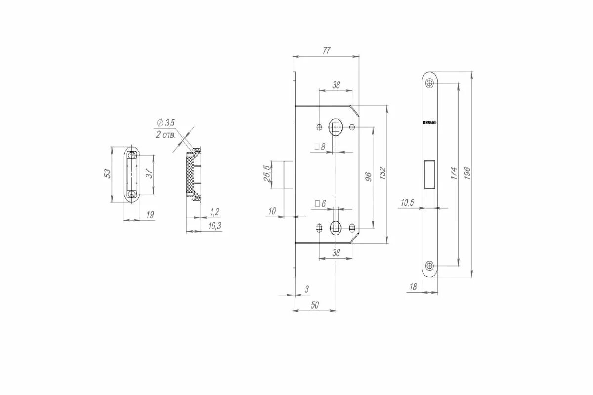
Fuaro magnm96wc 50