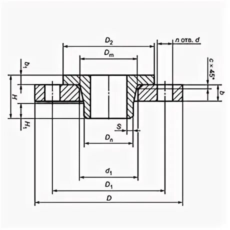
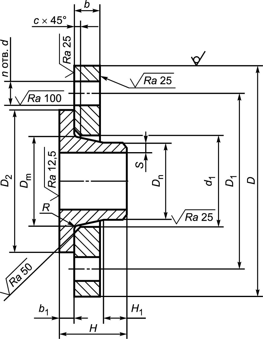
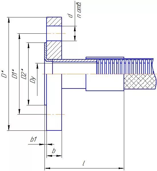
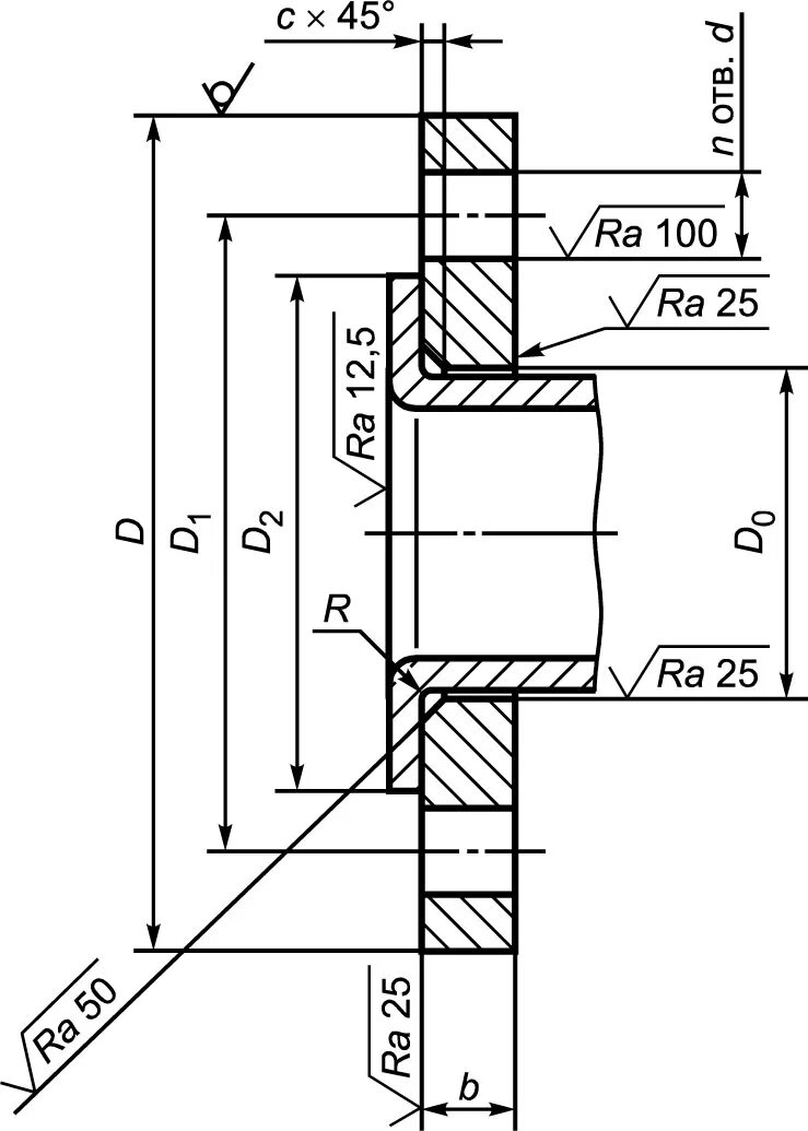
Фланец тип 03