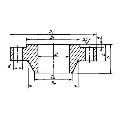
Фланец исполнение 3