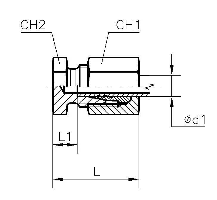
Фитинги рвд размеры