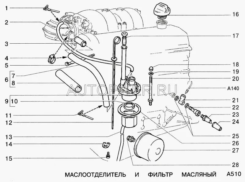
Фильтр масляный 21214 артикул