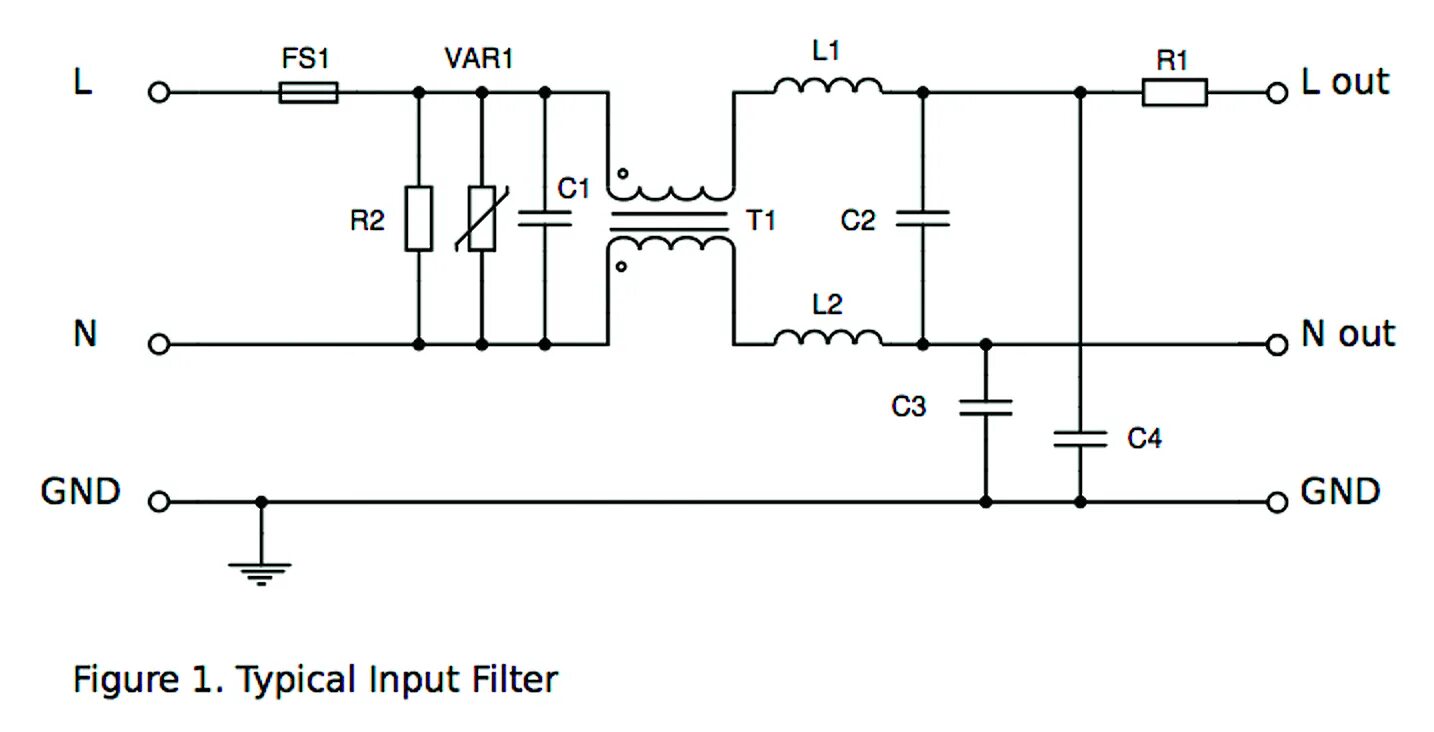
Filter input