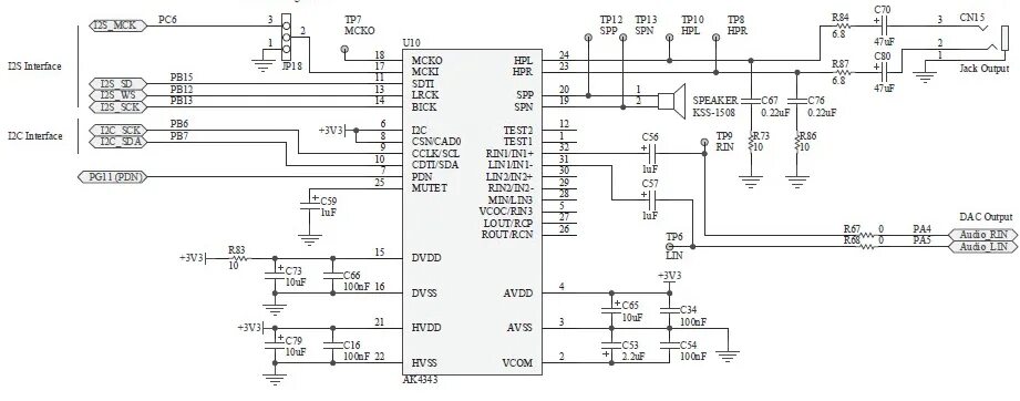
Everest i2s codec audio device