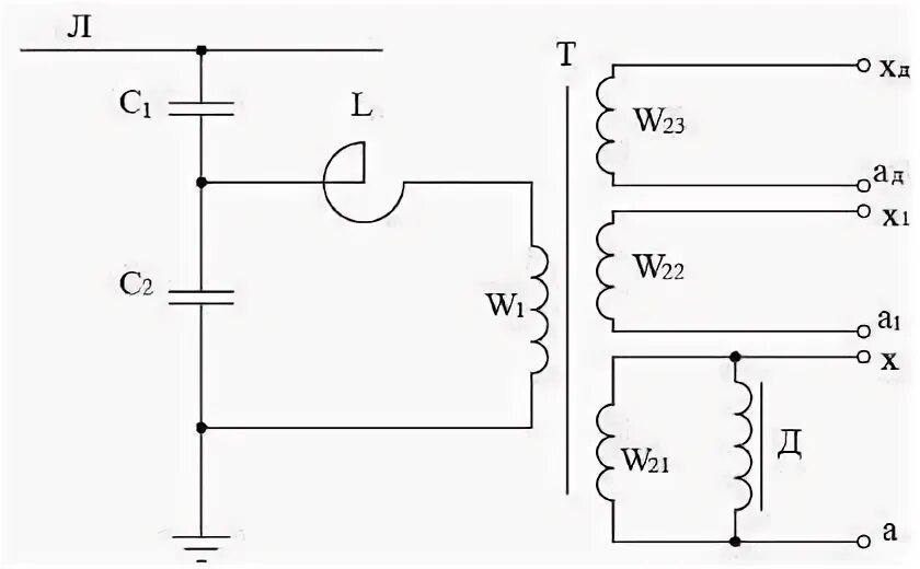
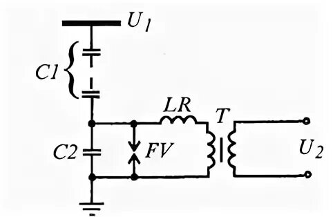
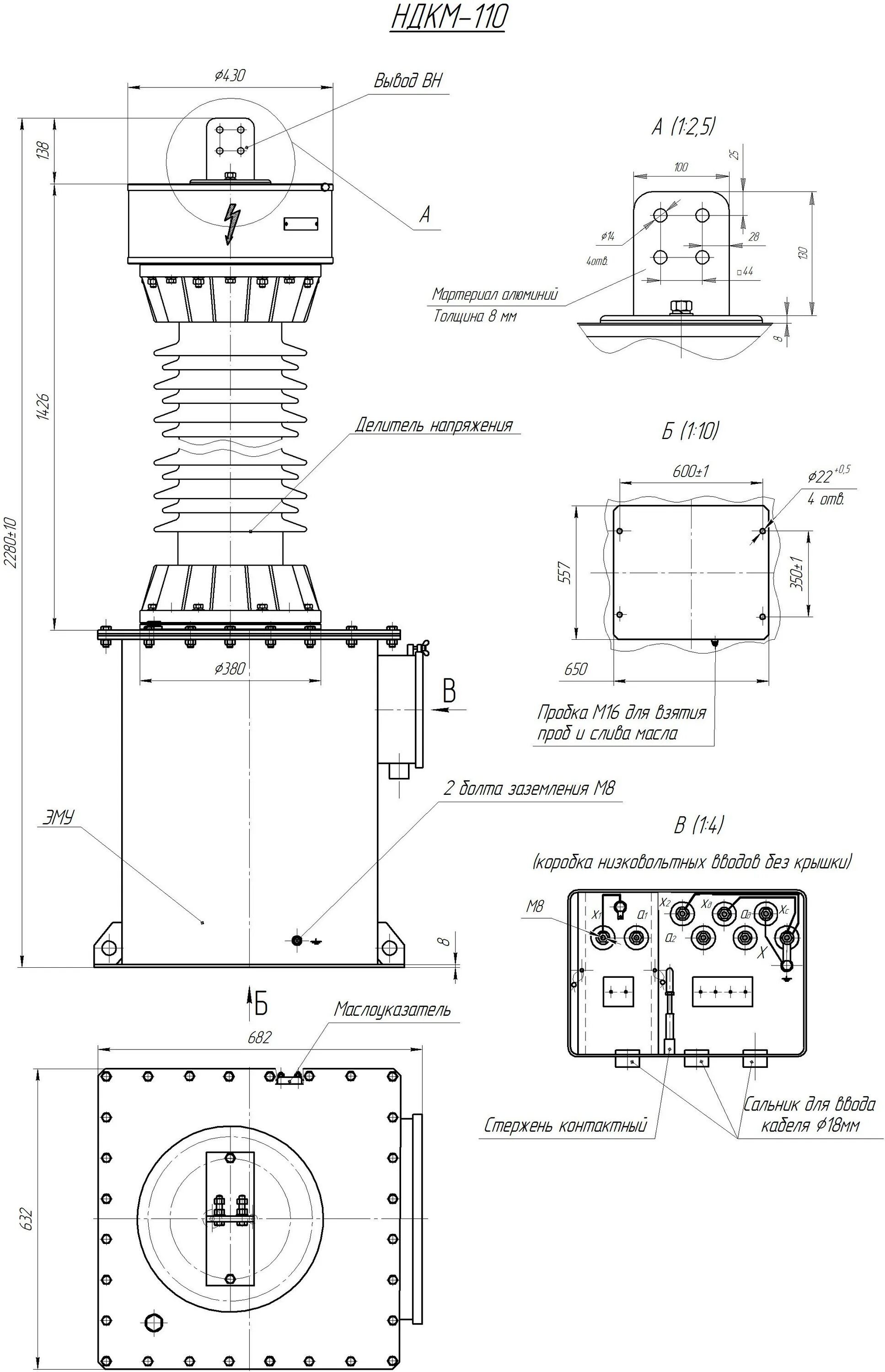
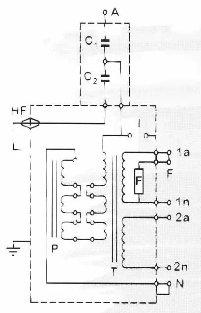
Емкостный трансформатор