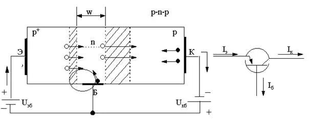
Эмиттерный переход биполярный транзистор