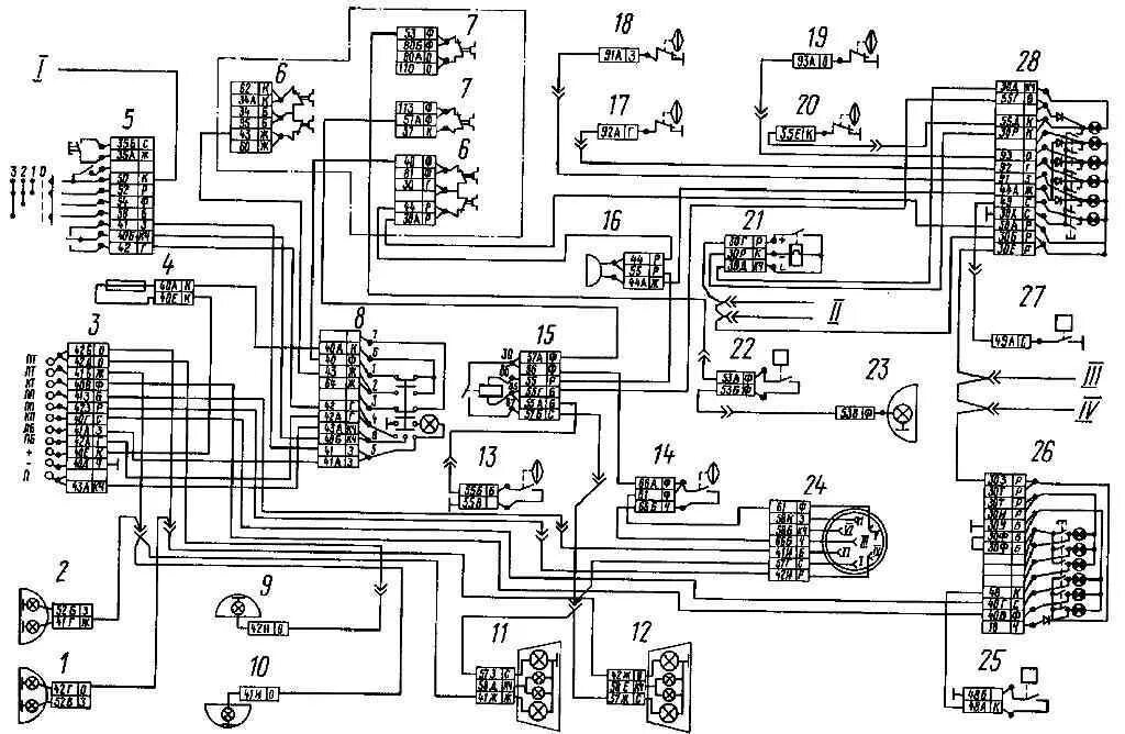
Электрооборудование системы сигнализации