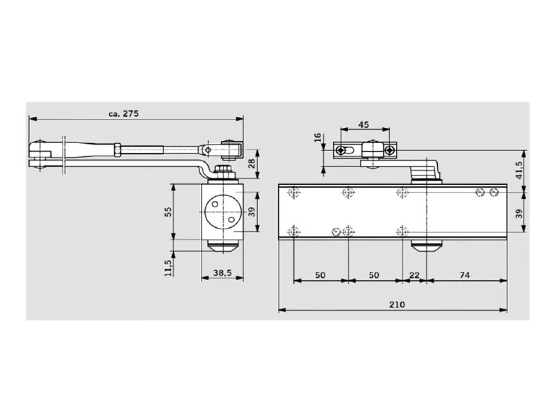
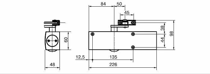
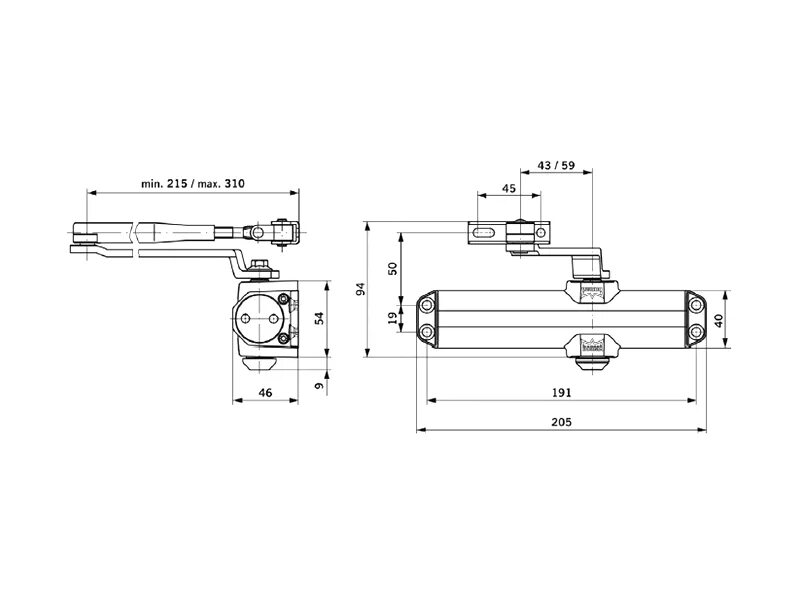
Доводчик maxbar