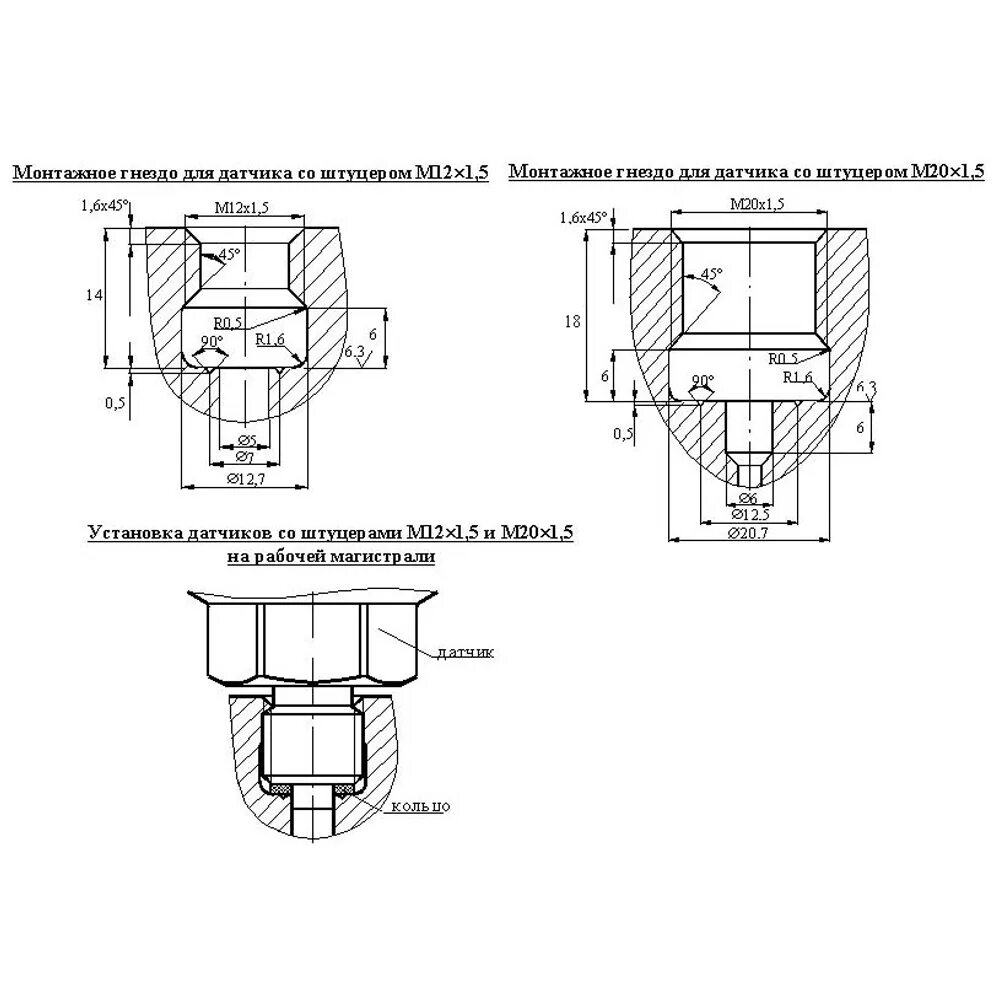
Див 13