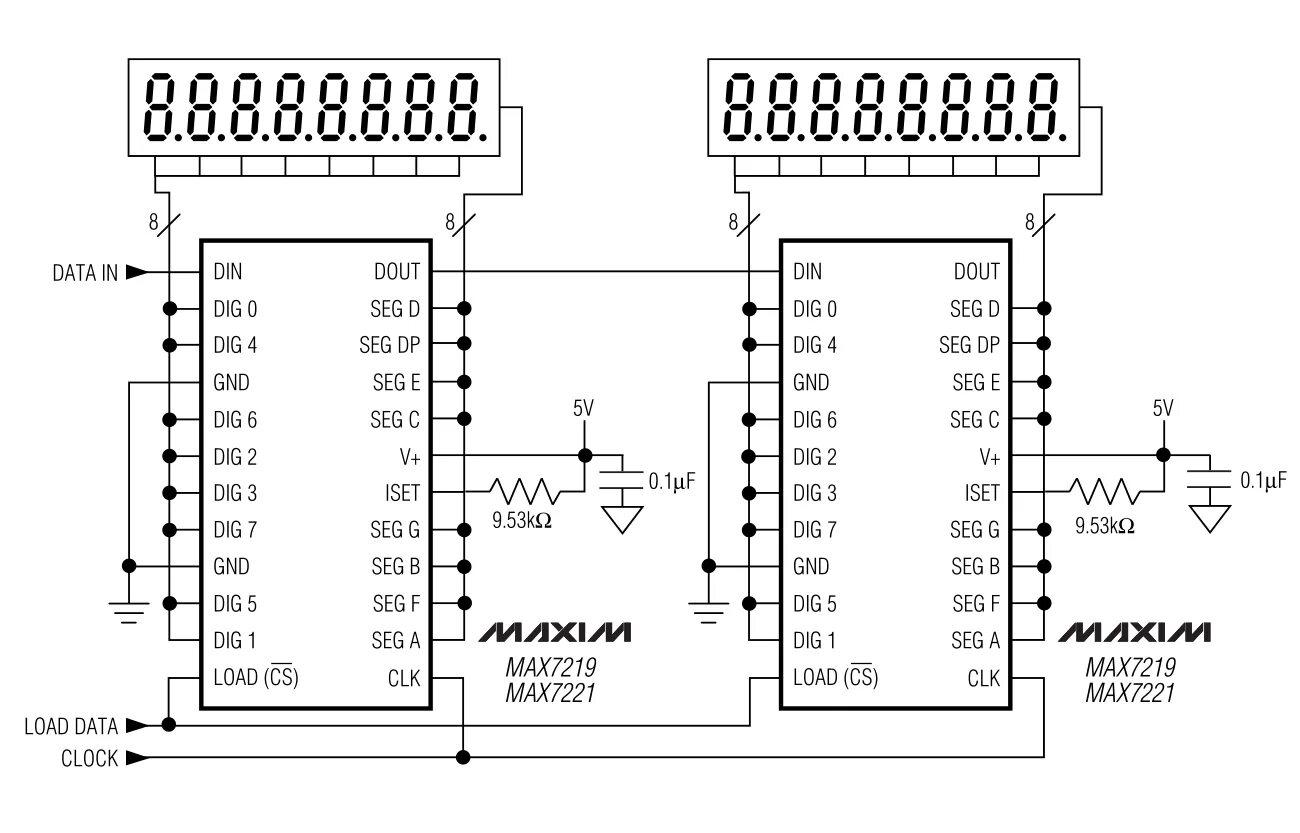
Display max