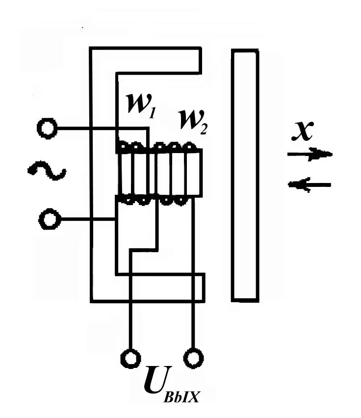
Дифференциальный токовый трансформатор