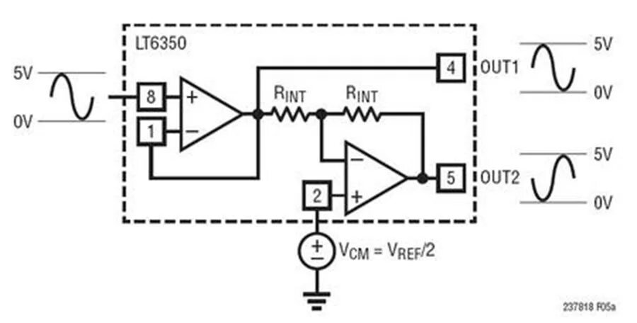
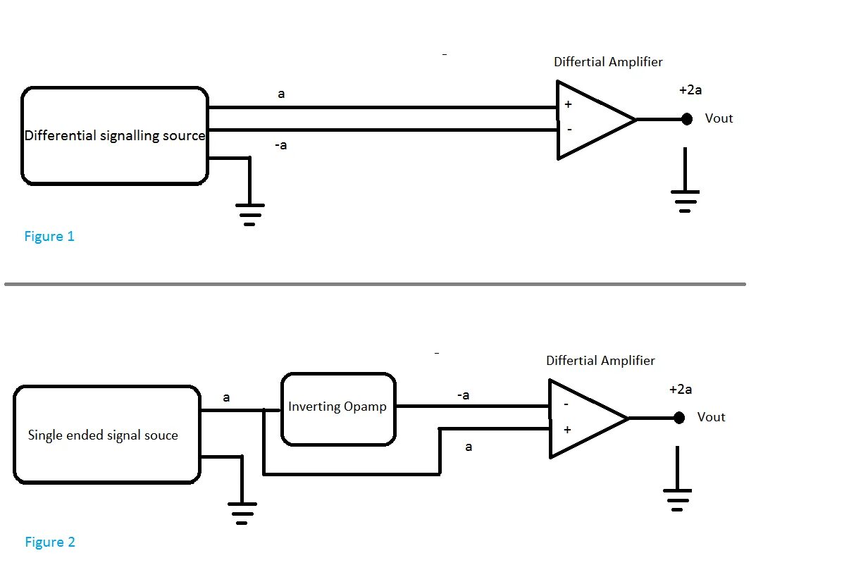
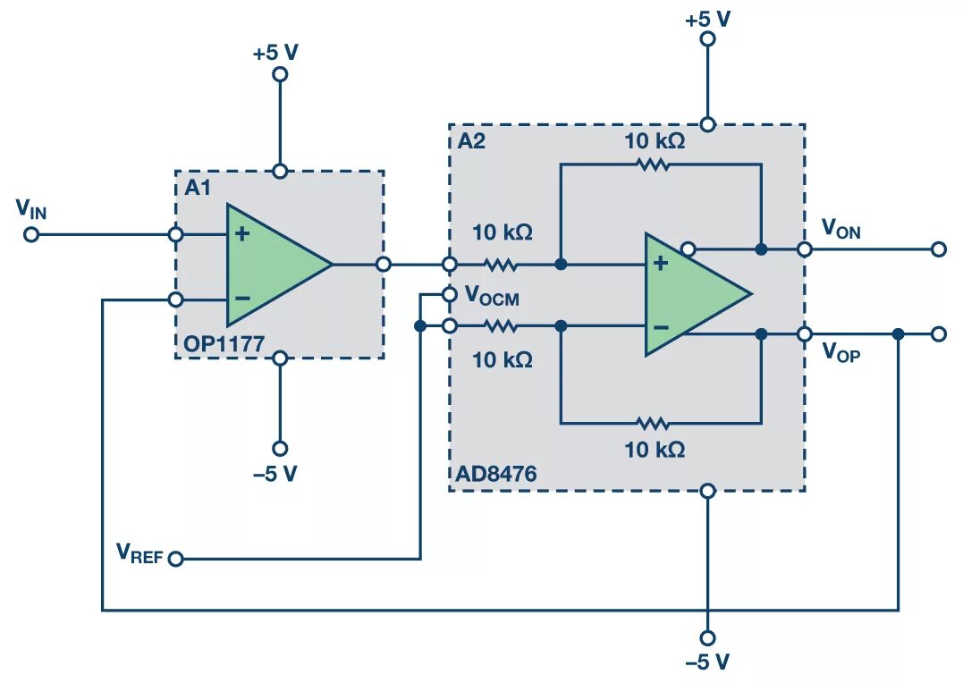
Differential signal