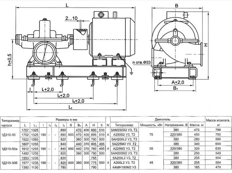
Диаметр д 1