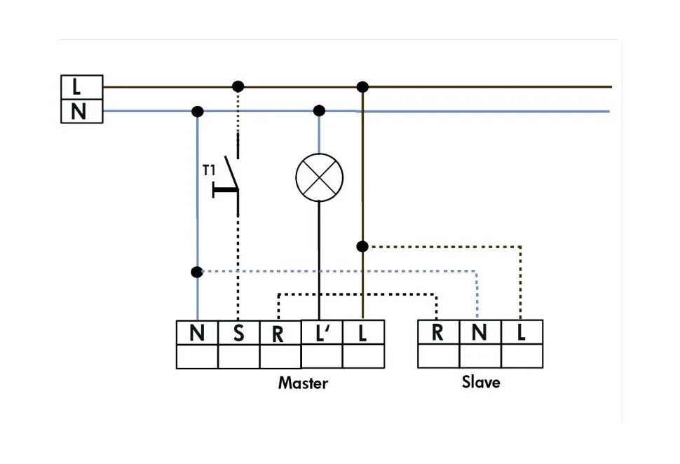
Датчик движения соединение