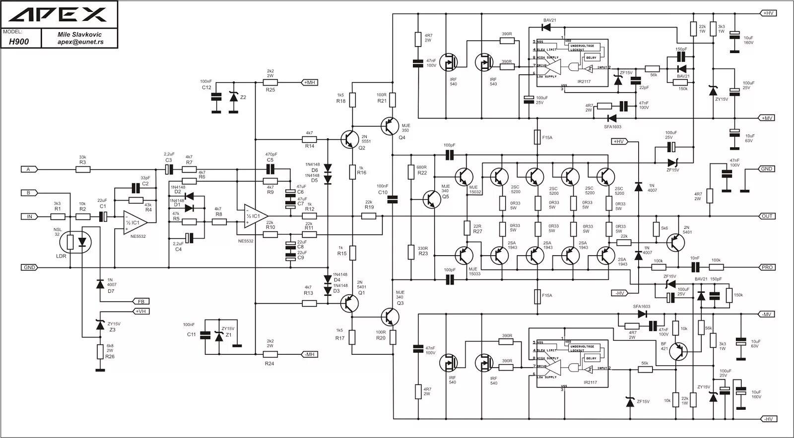
Class h