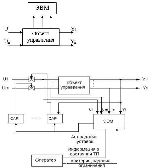
Что происходит при супервизорном режиме управления