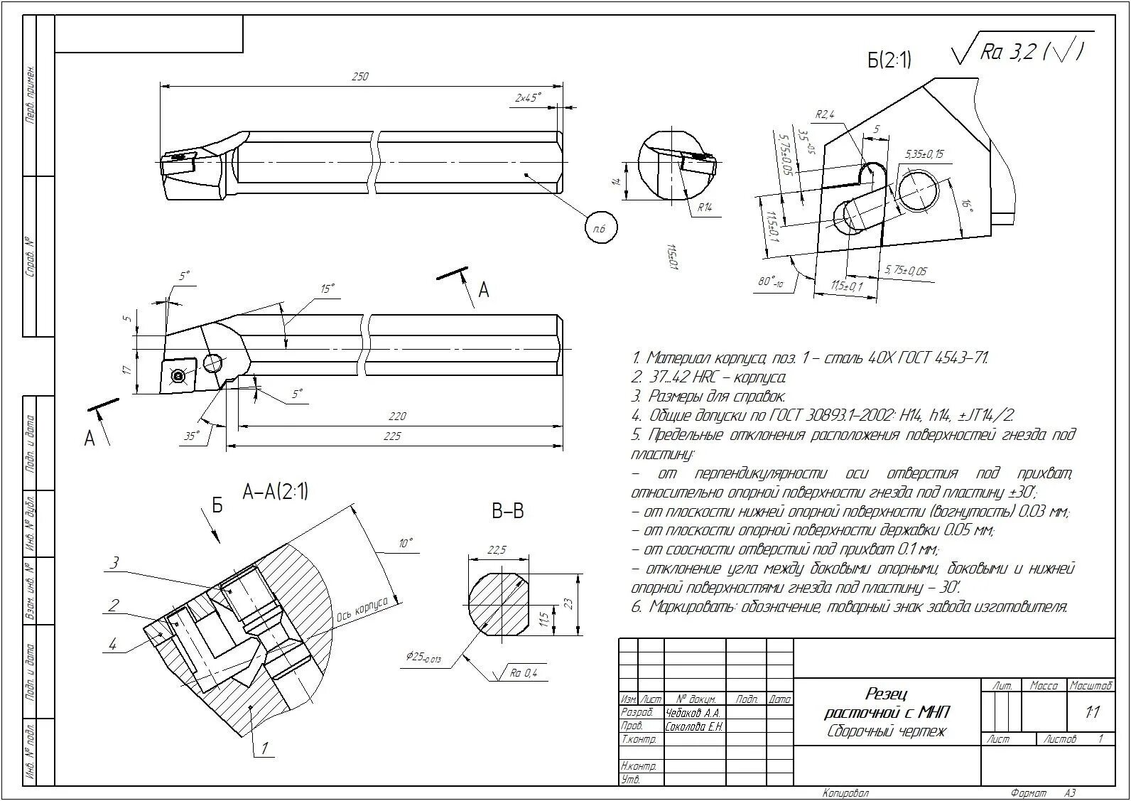
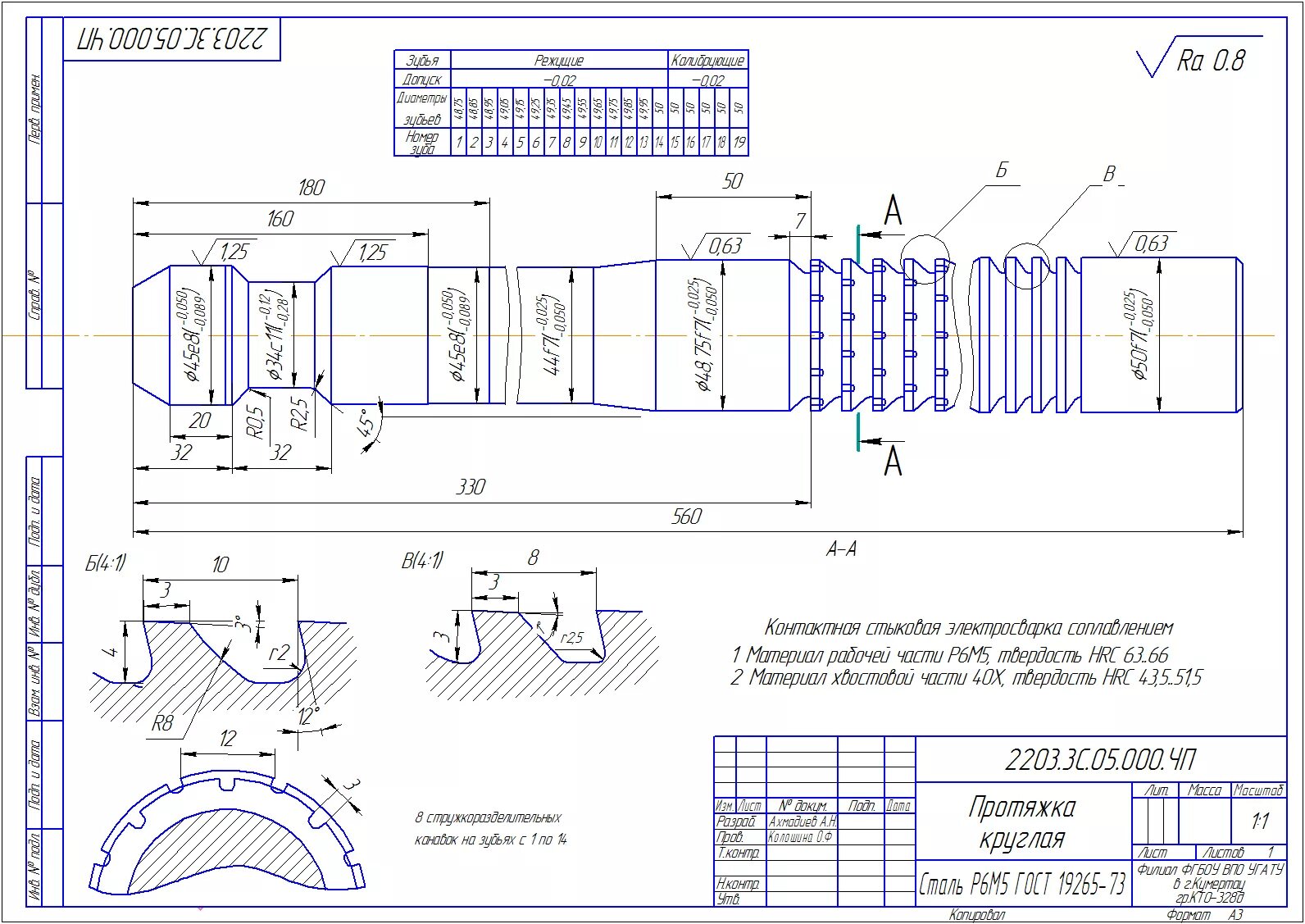
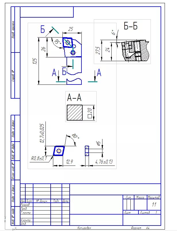
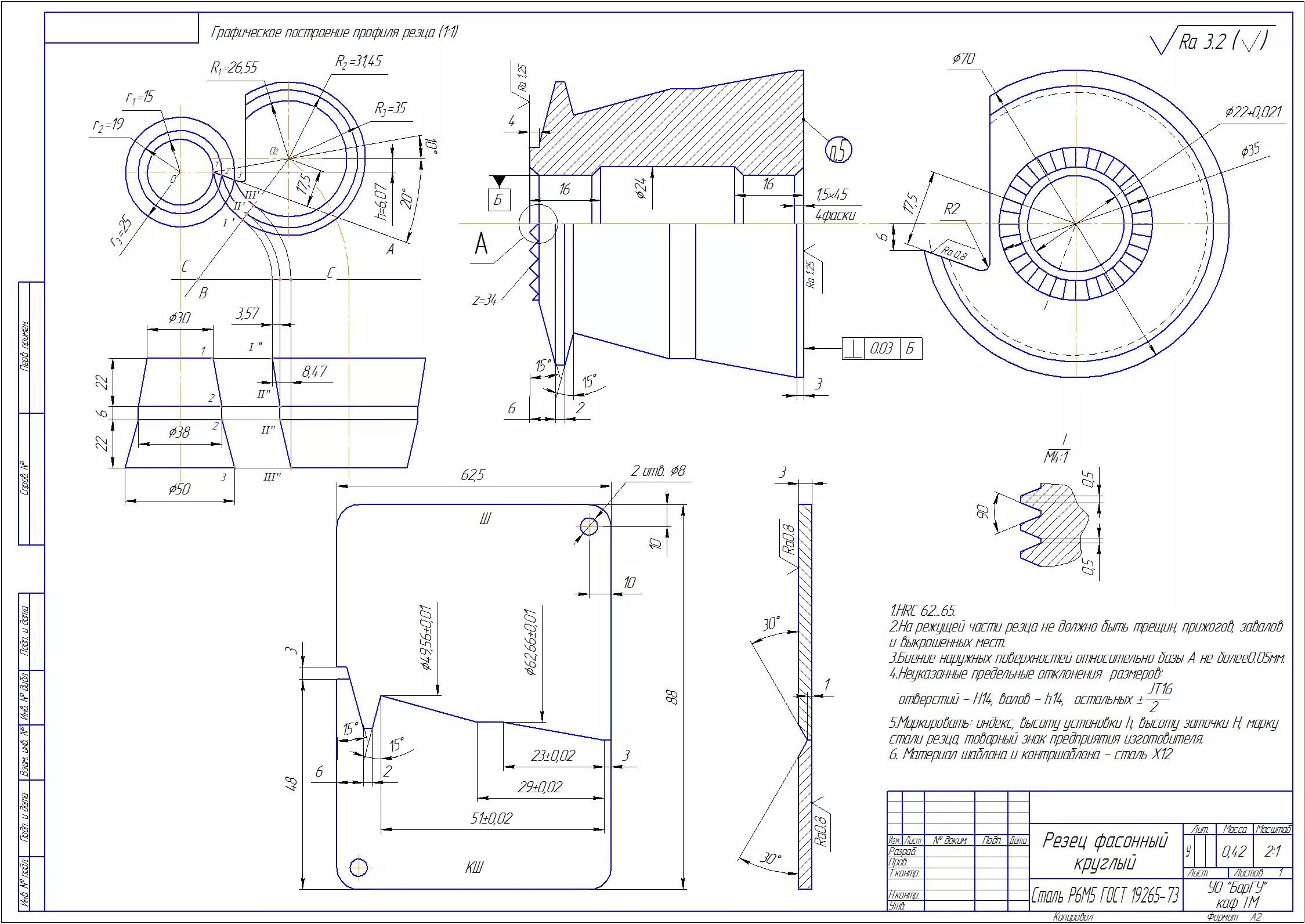
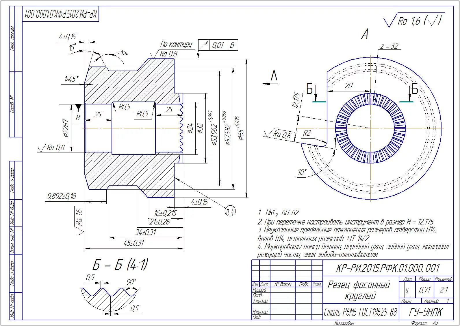
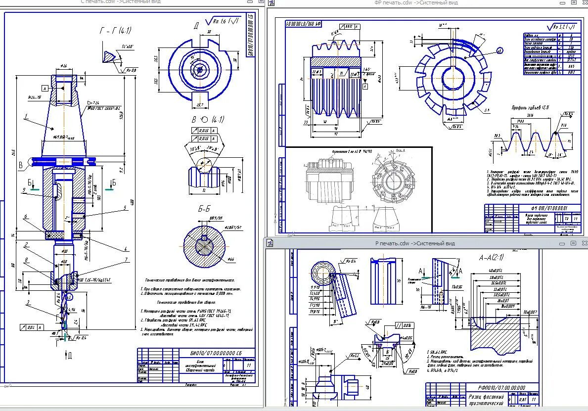
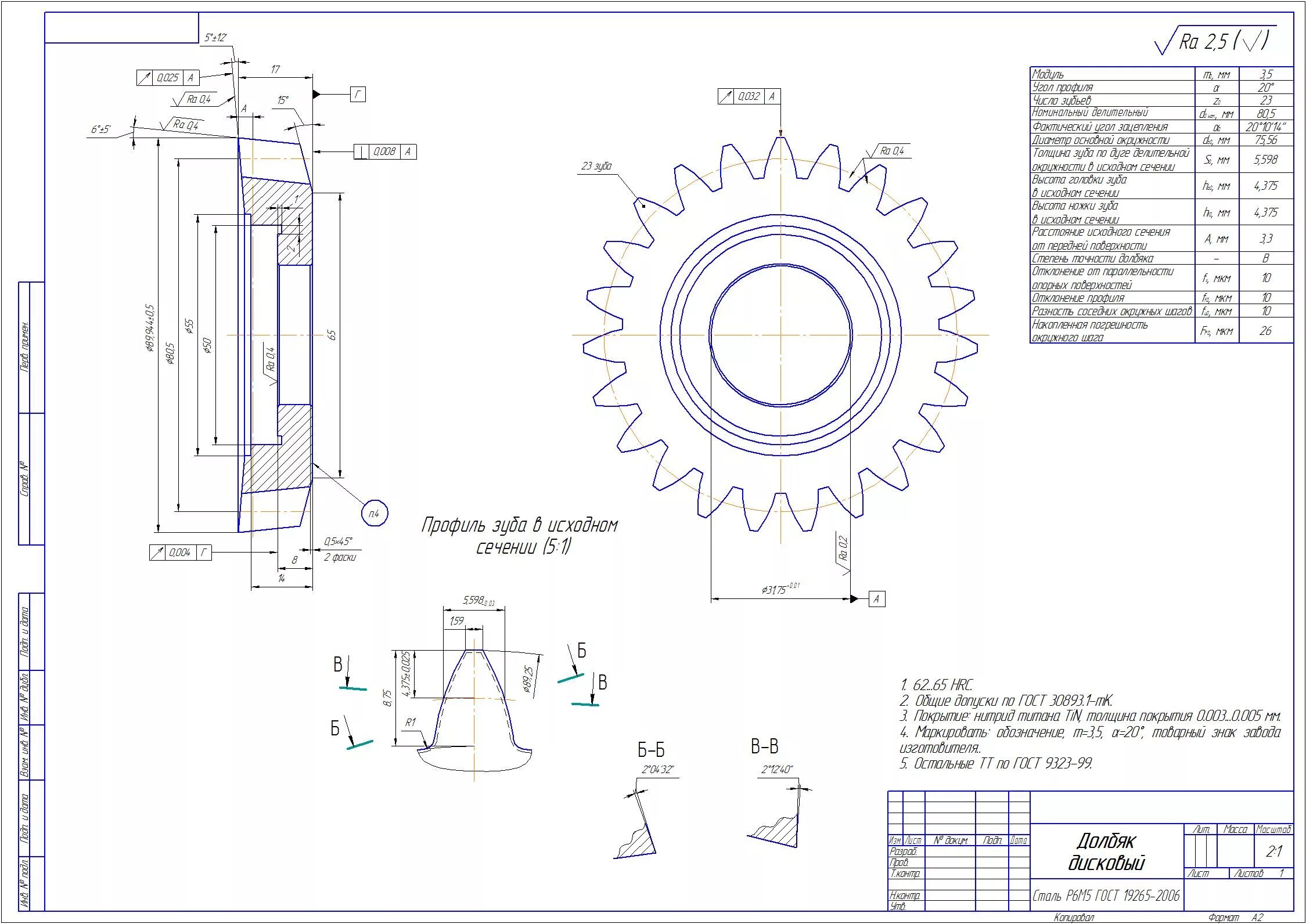
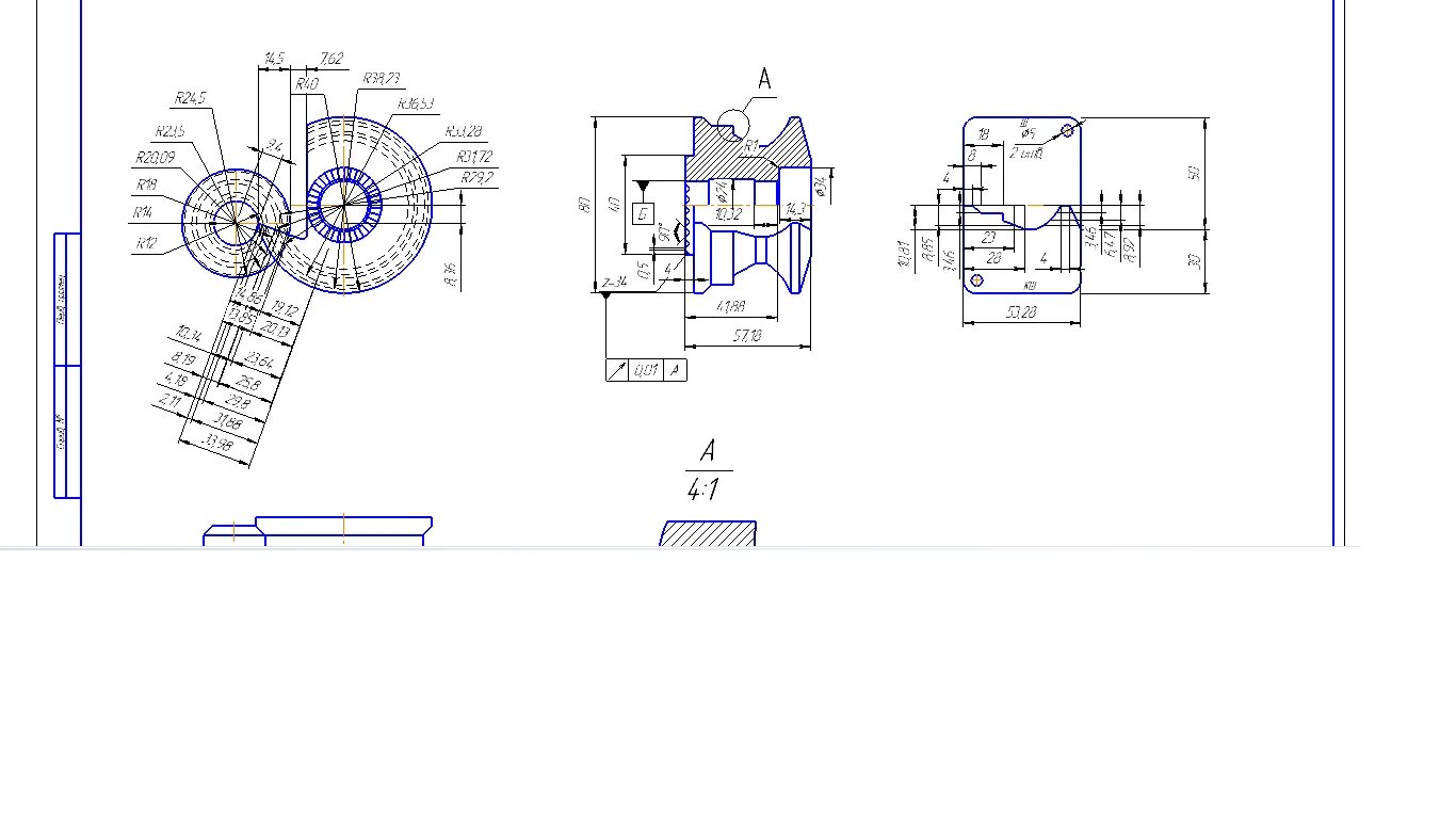
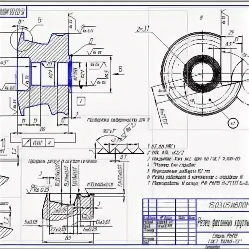
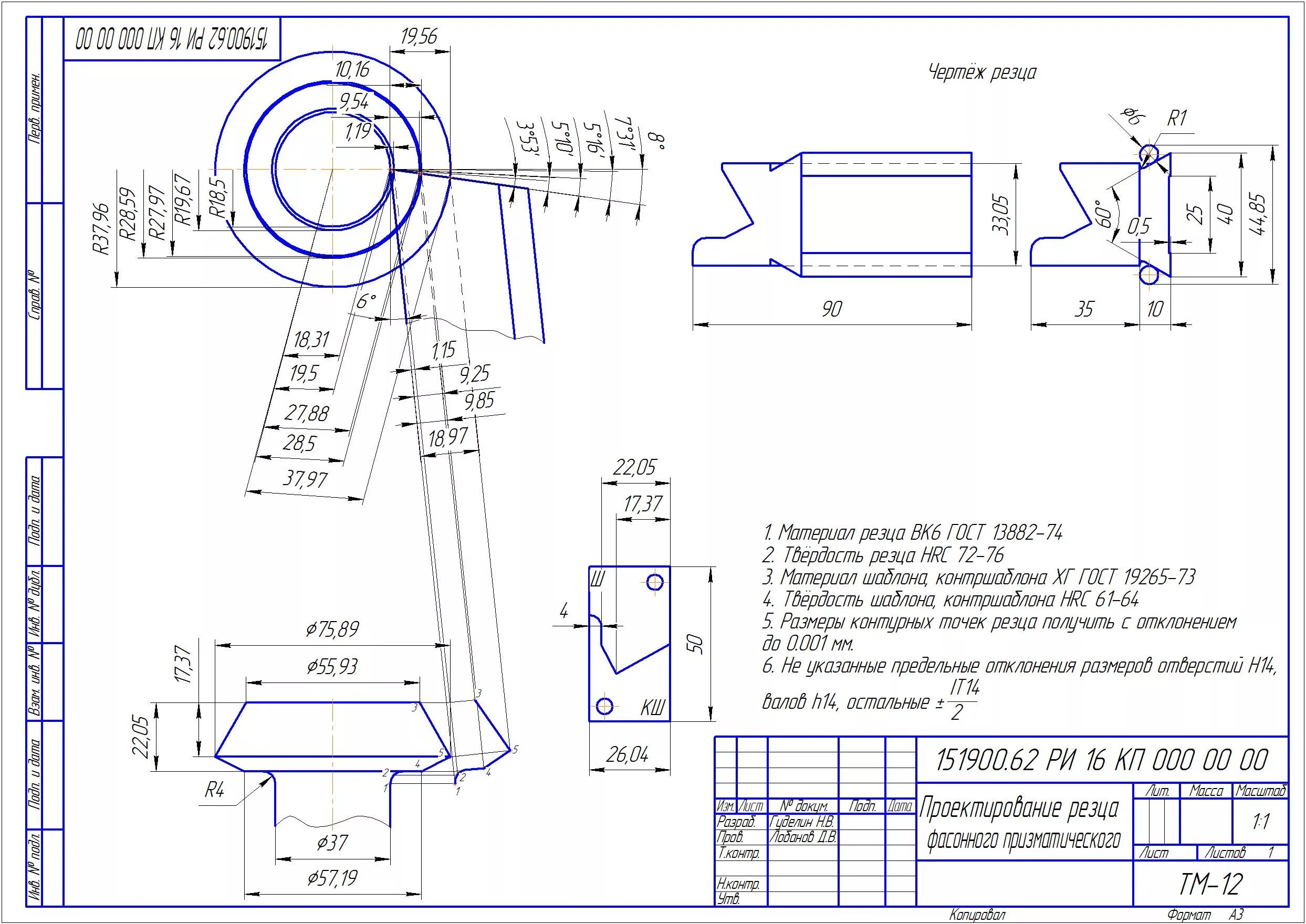
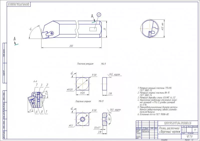
Чертежи режущего инструмента