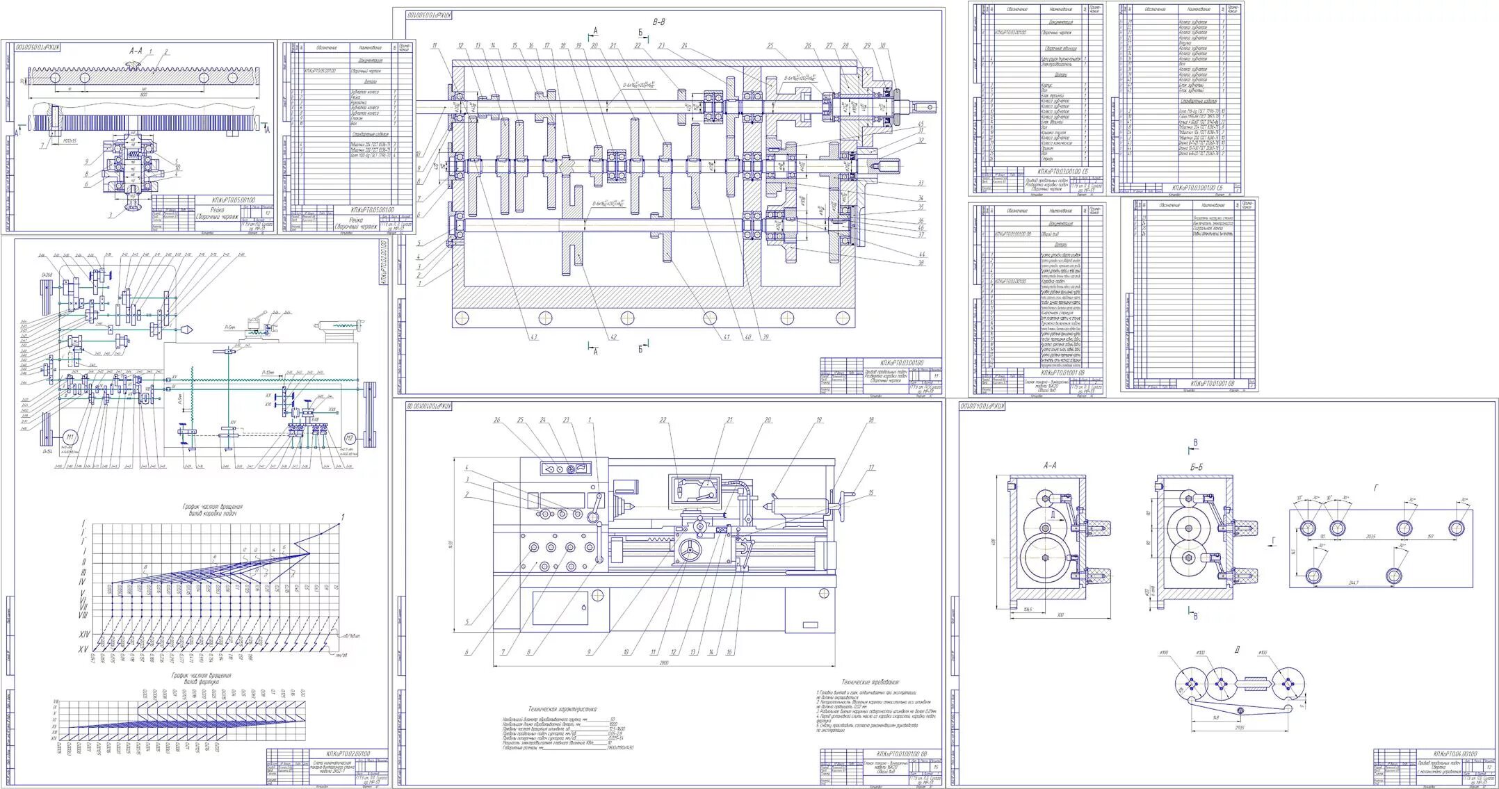
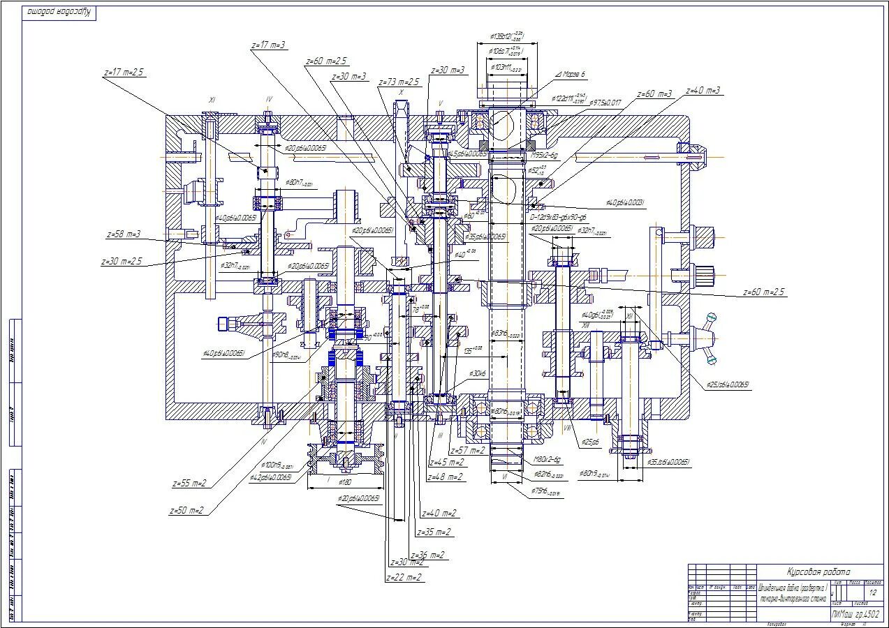
Чертежи 16к20