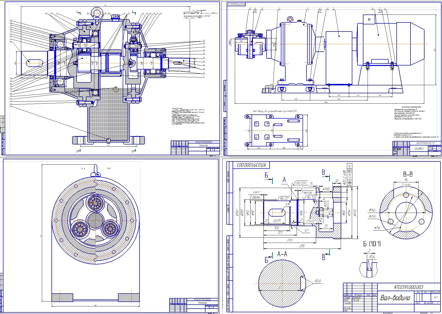
Чертеж планетарного редуктора