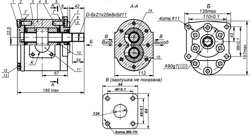
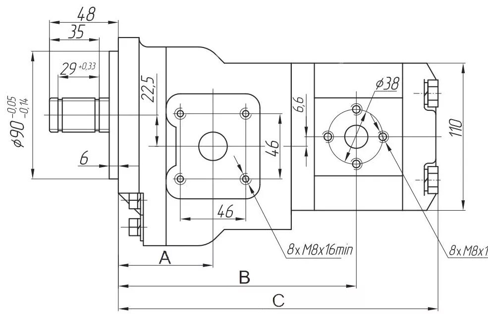
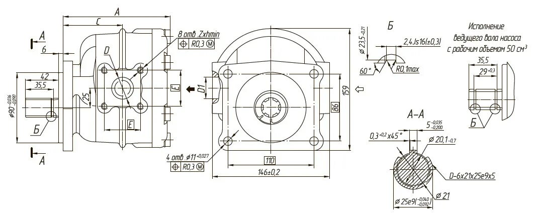
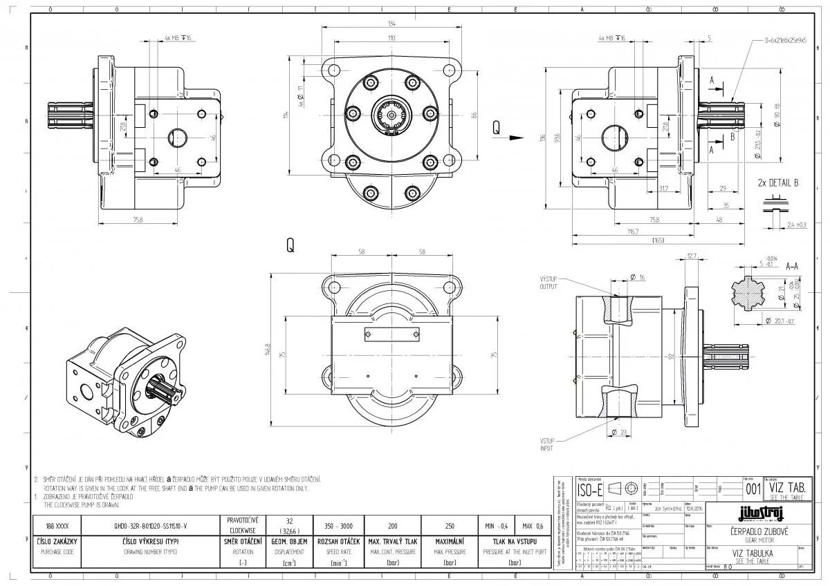
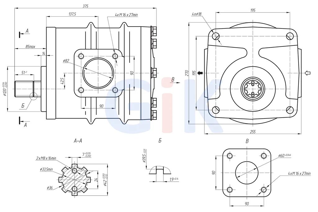
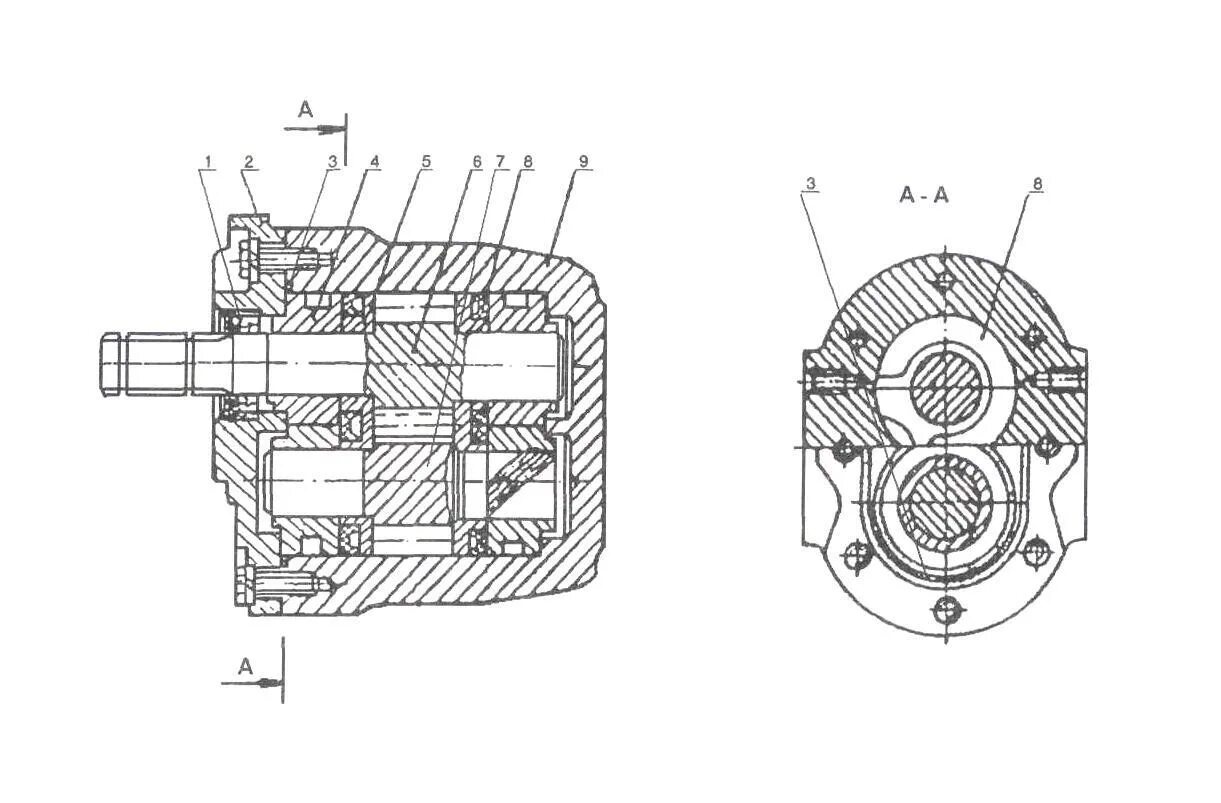
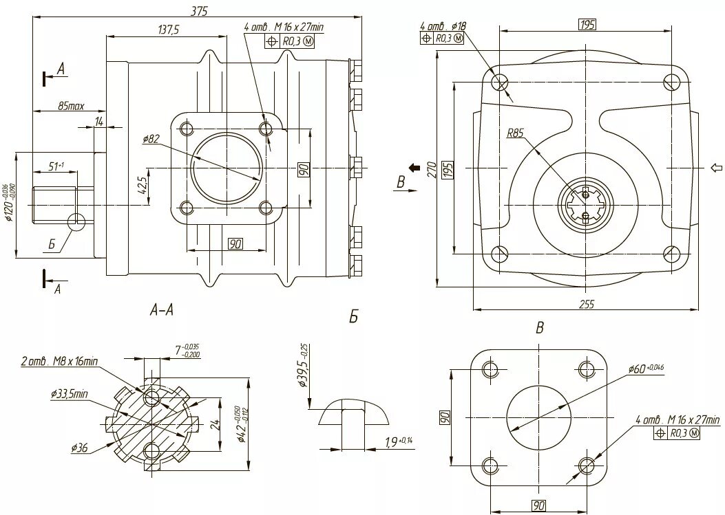
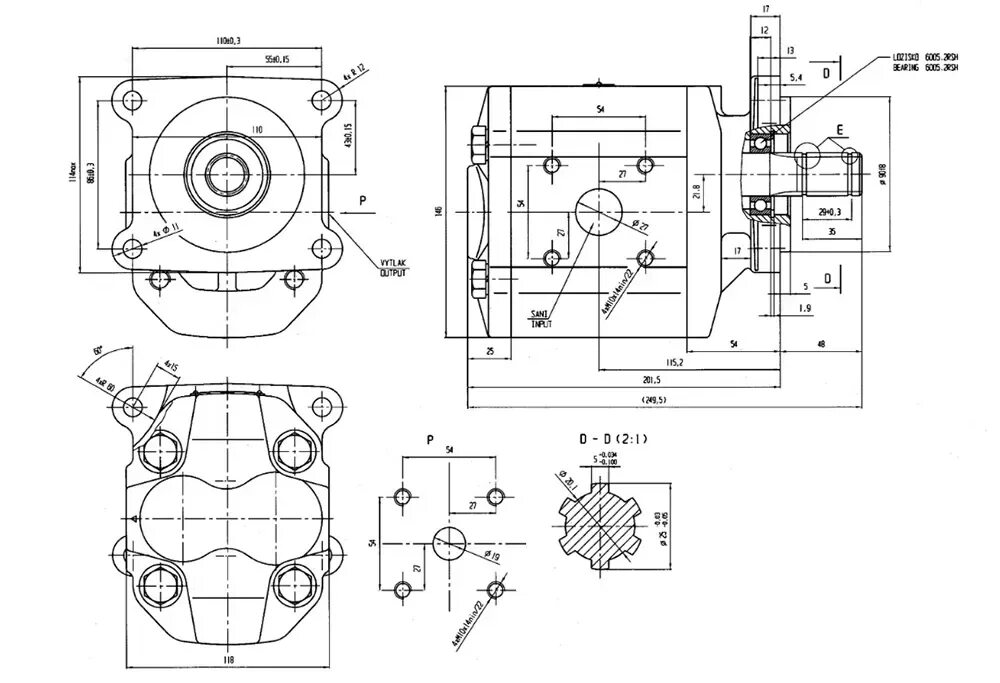
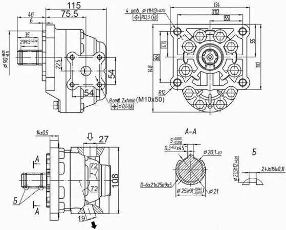
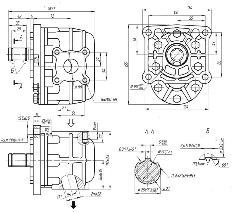
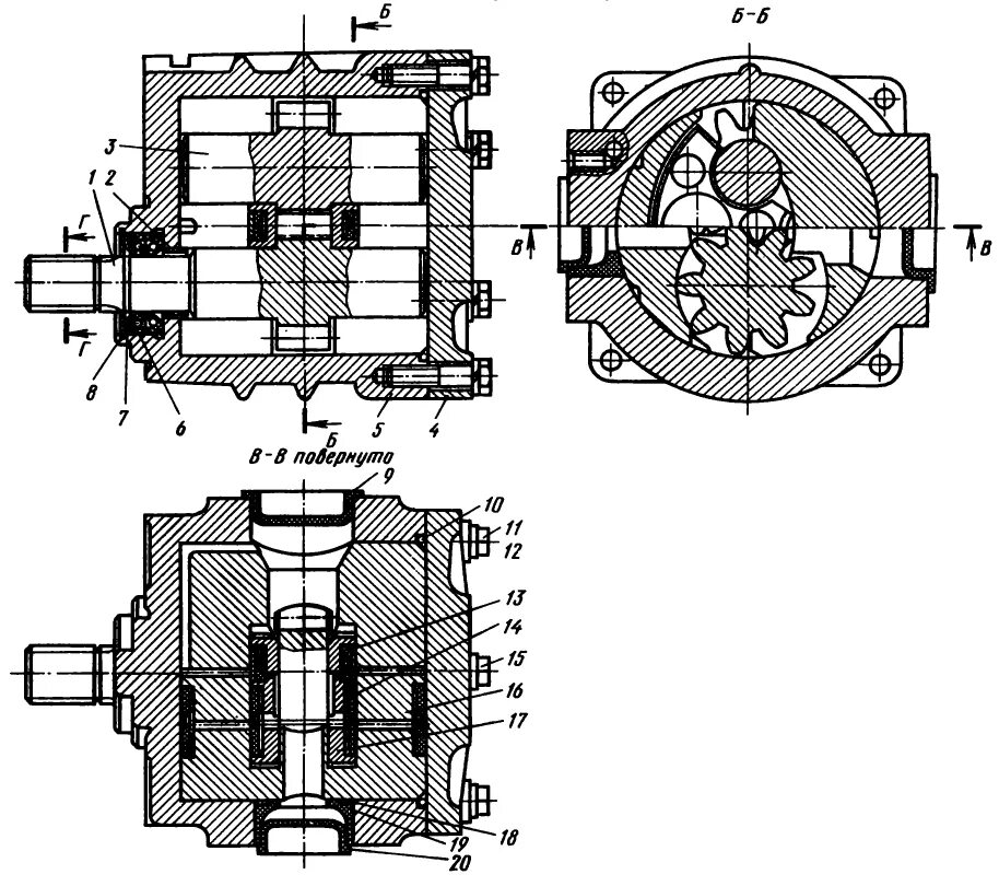
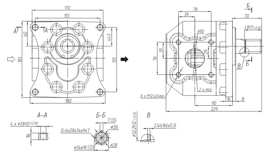
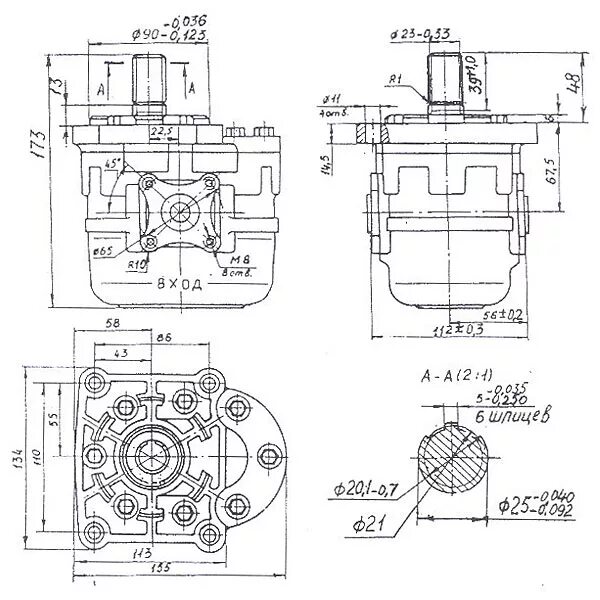
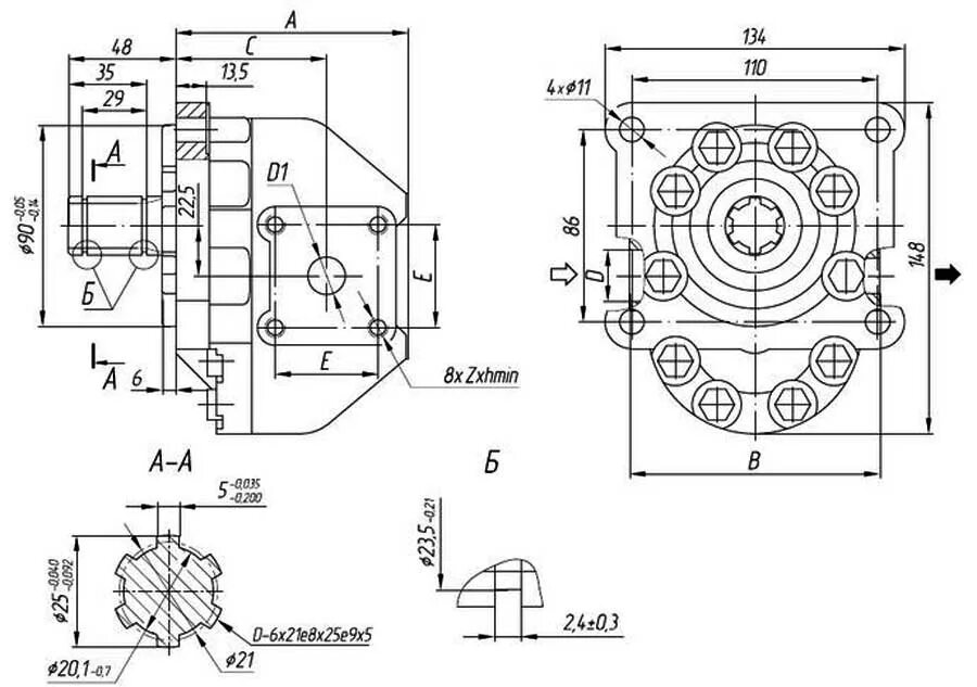
Чертеж нш