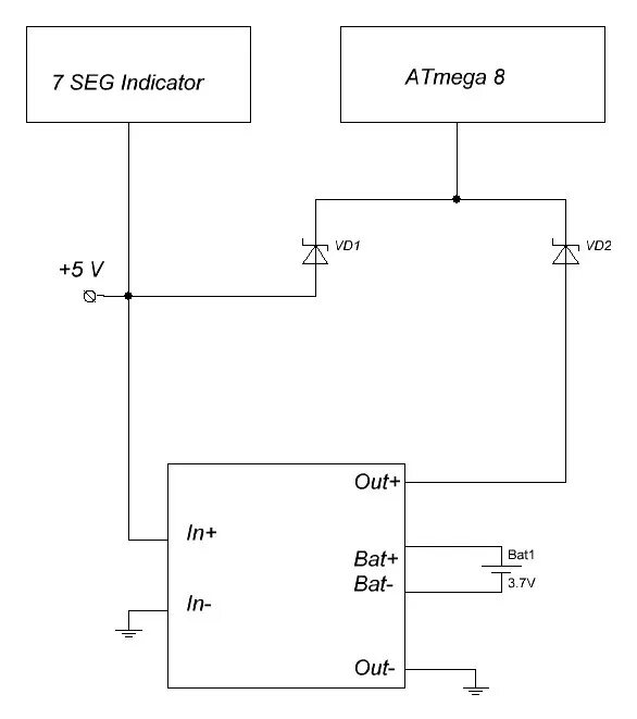
Буферный режим аккумулятора