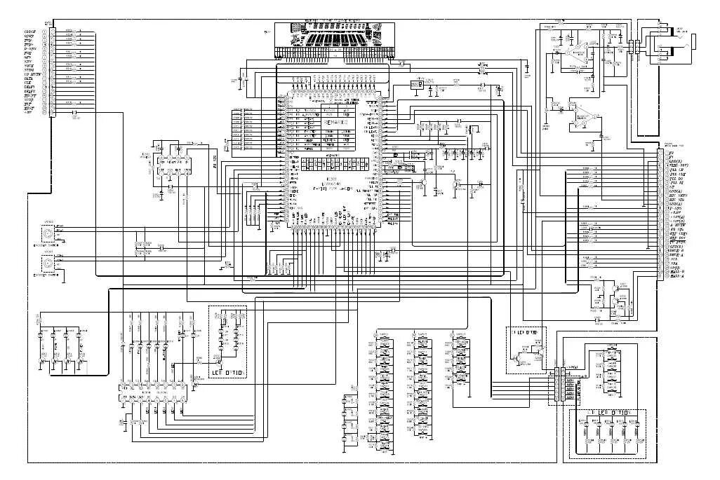
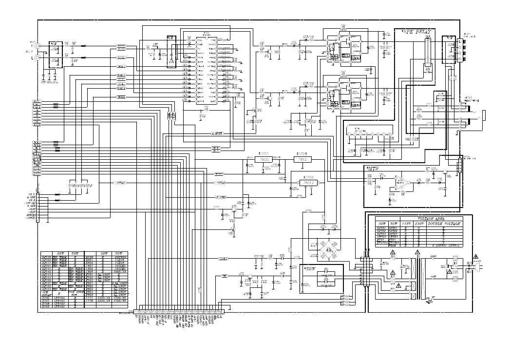
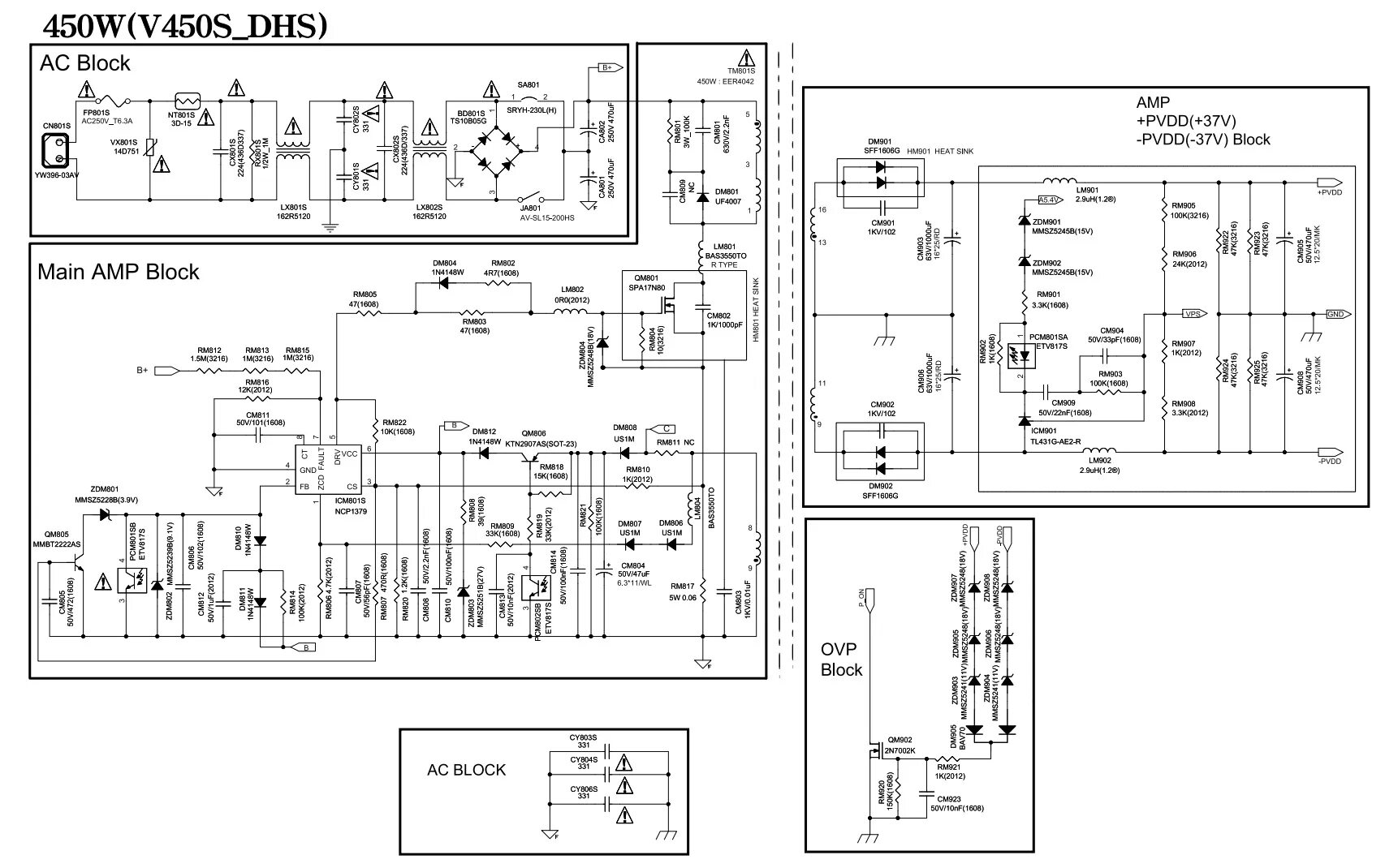
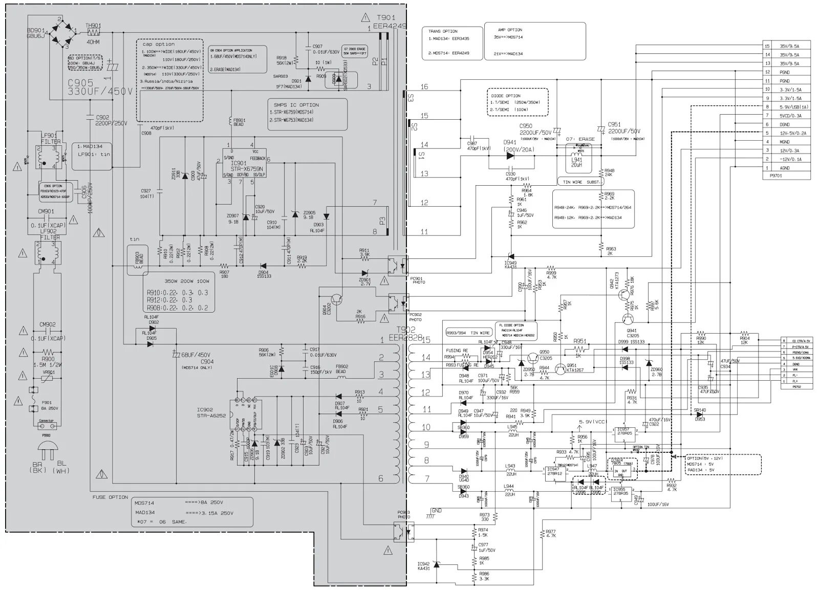
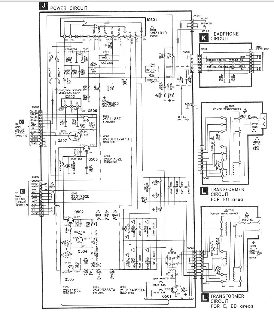
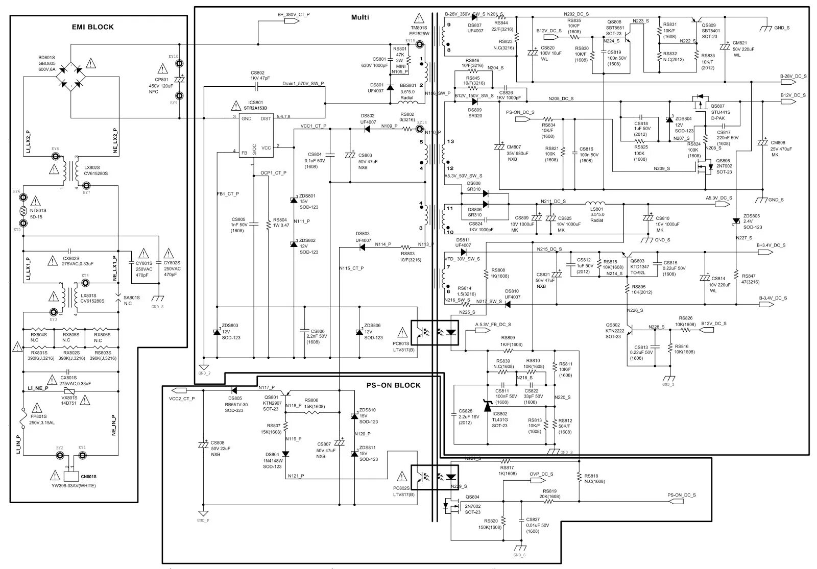
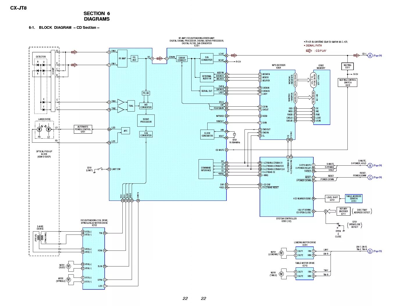
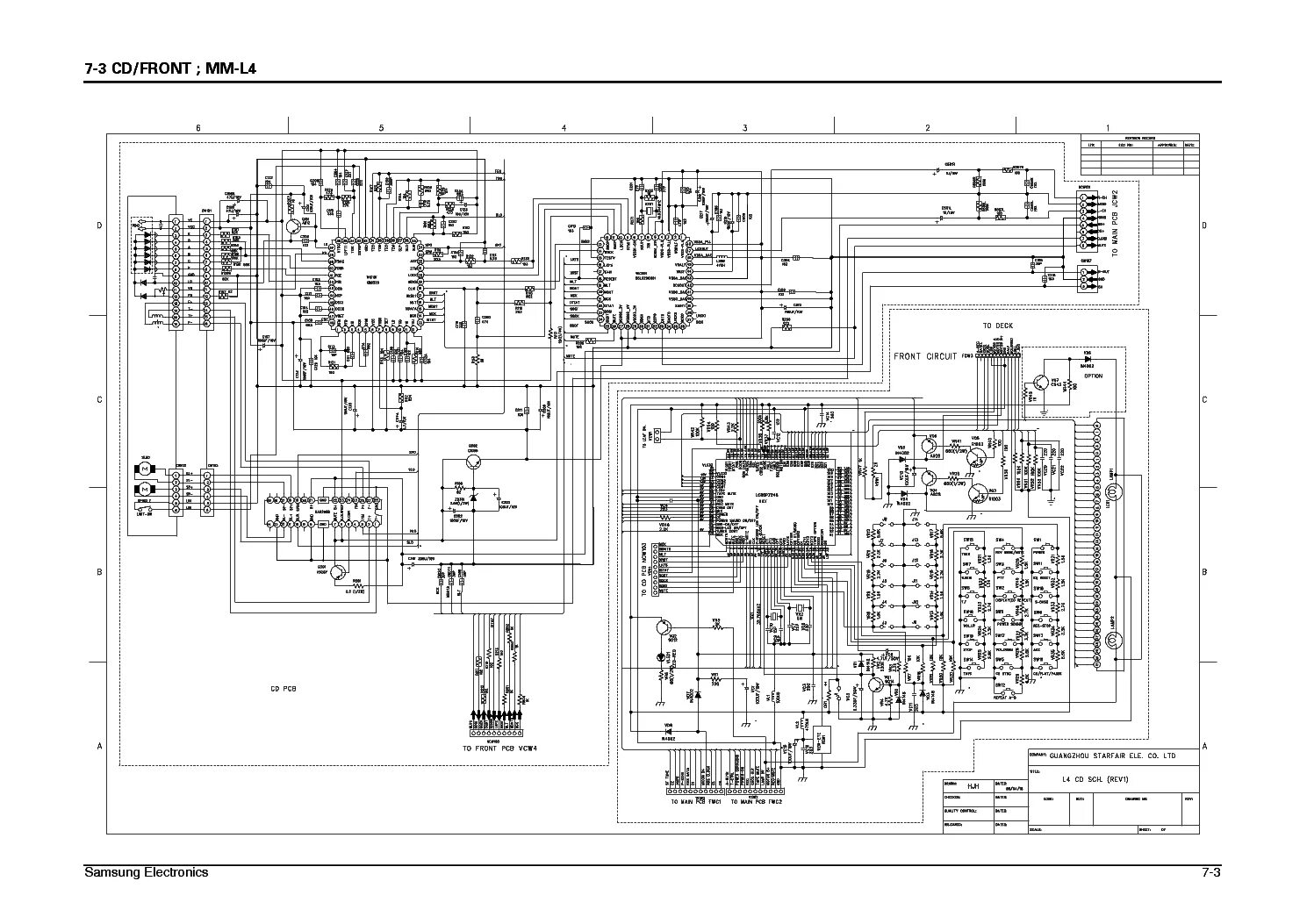
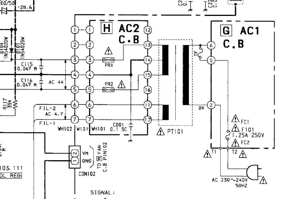
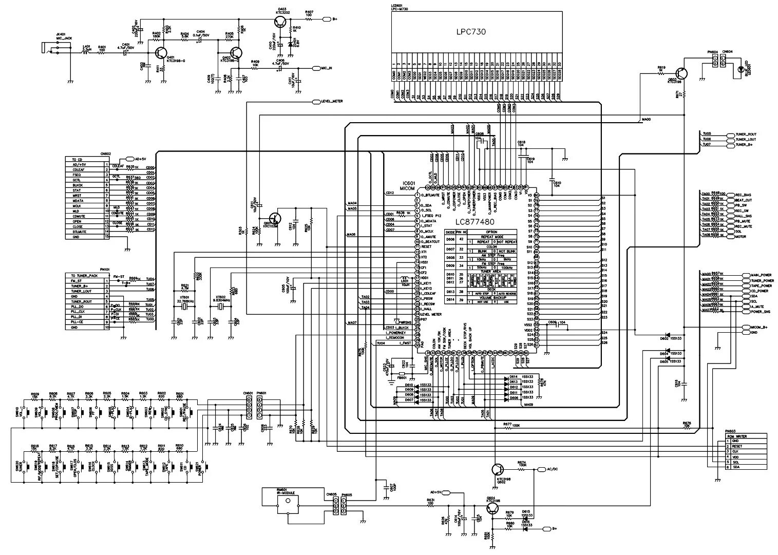
Блок схема музыкального центра