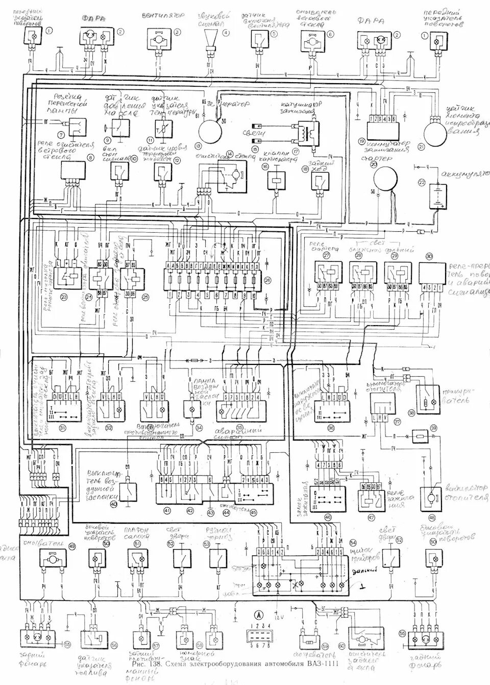
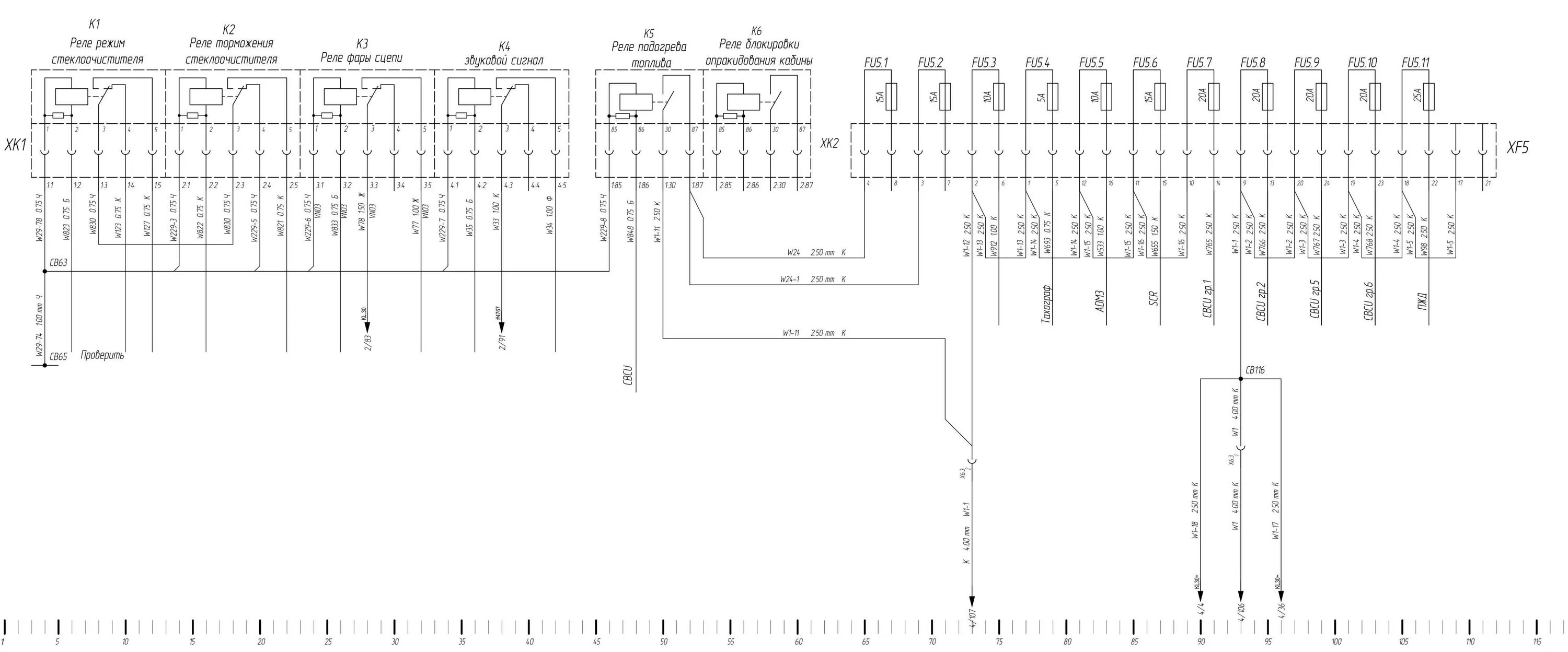
Блок предохранителей камаз схема