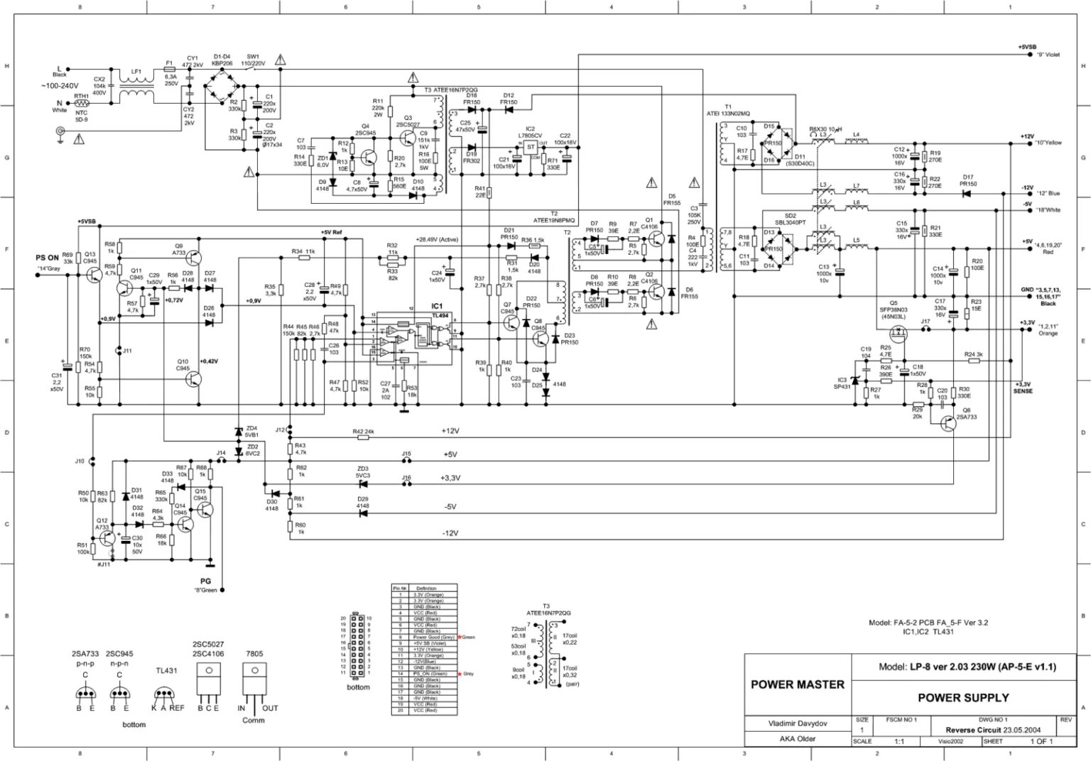
Блок power