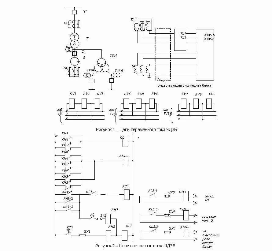
Блок генератор трансформатор