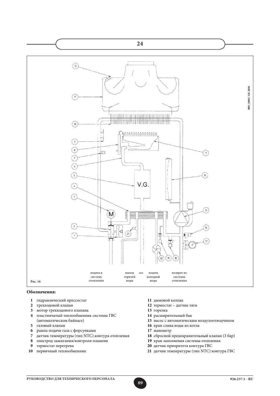
Baxi ошибка е35