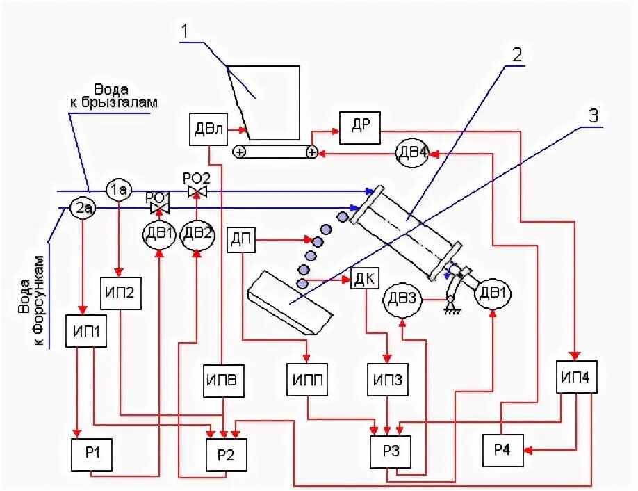
Автоматизация металлургии