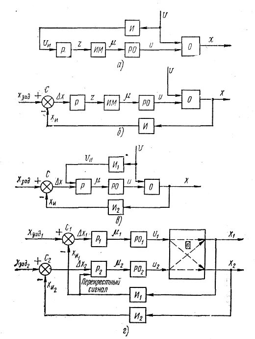
Автоматическое регулирование управление