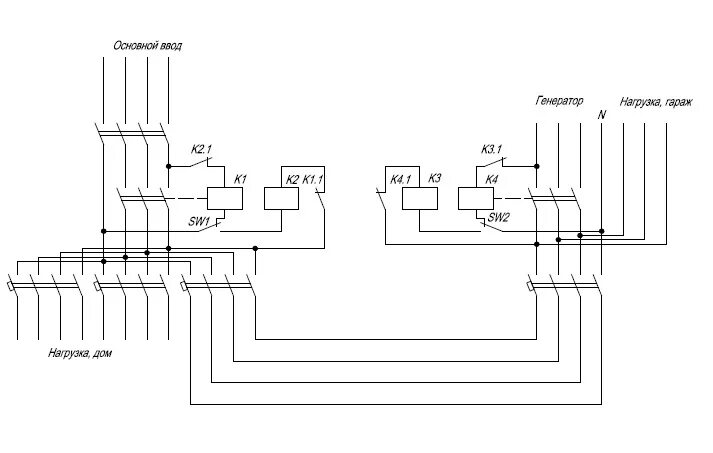
Авр для генератора 220 вольт