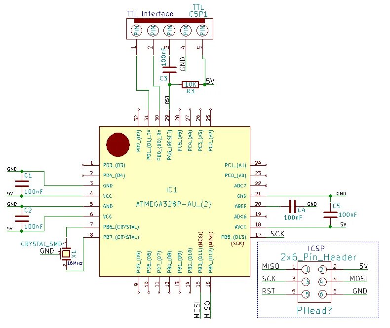
Atmega328p au