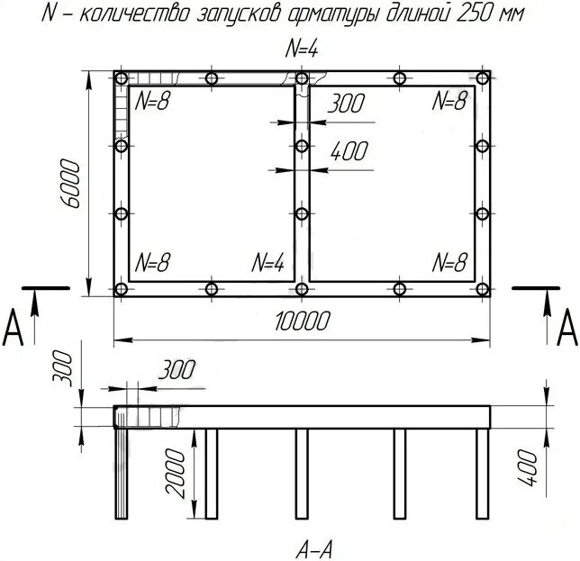
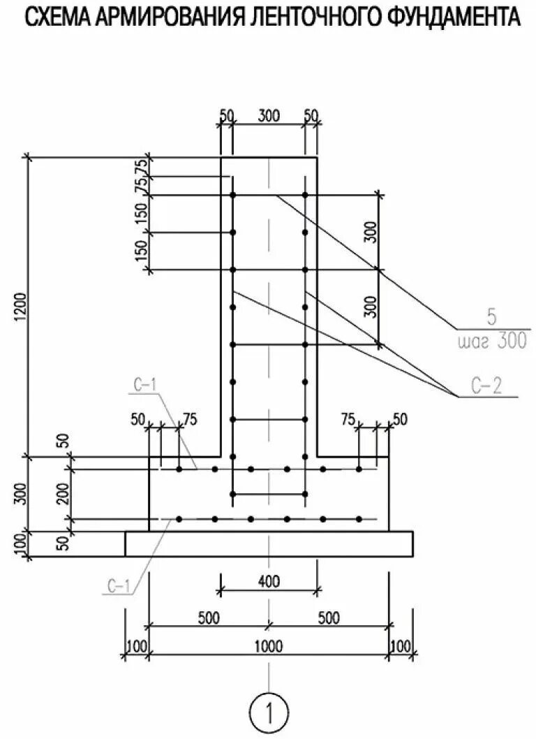
Армирование посчитать