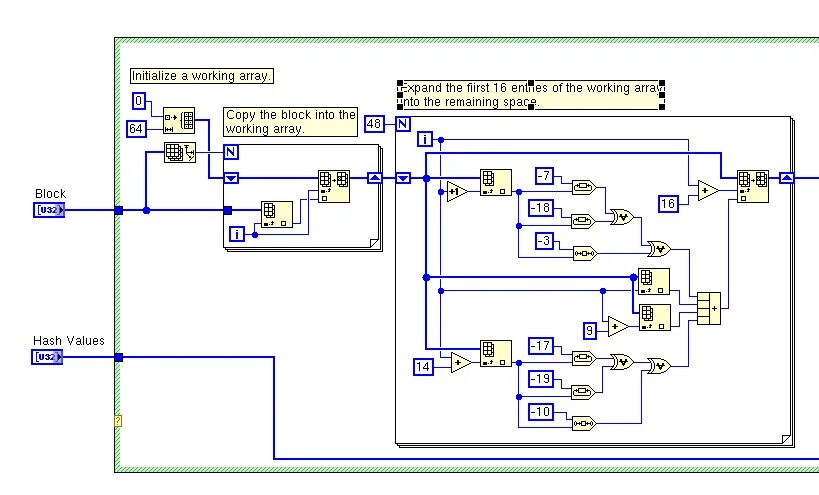
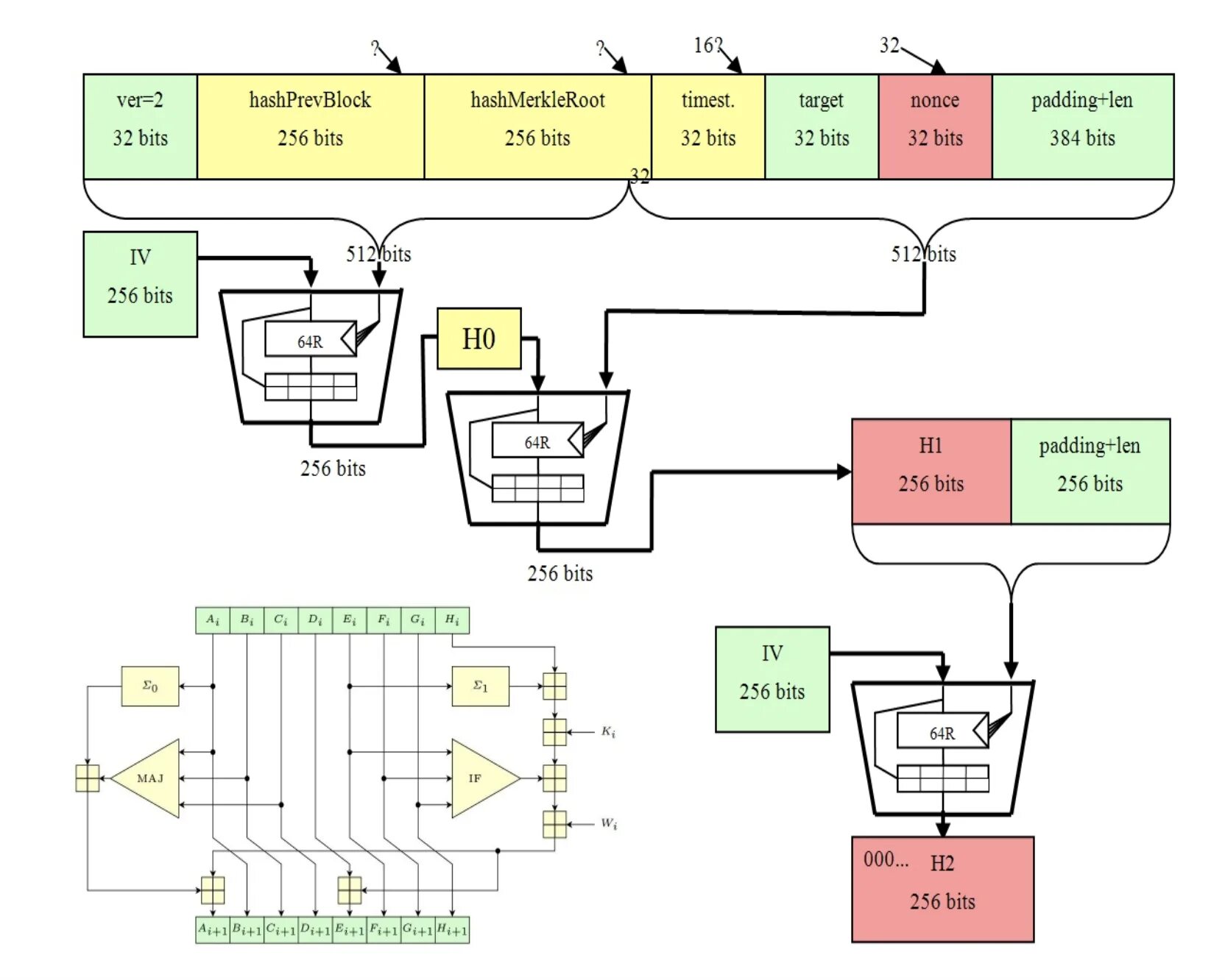
Алгоритм 256