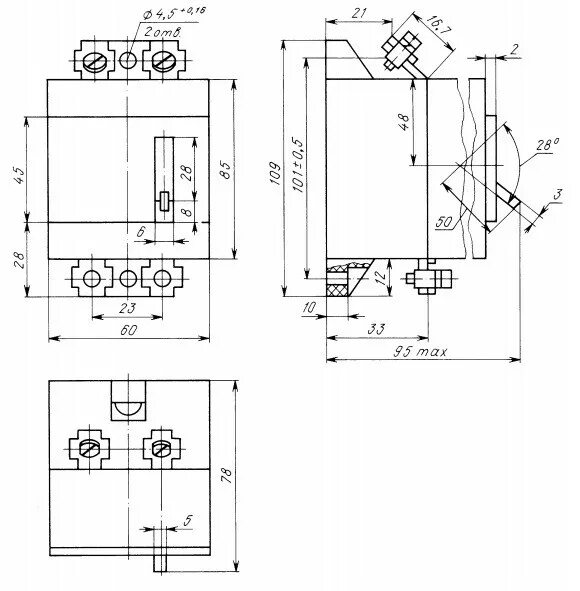
Ак 25 10