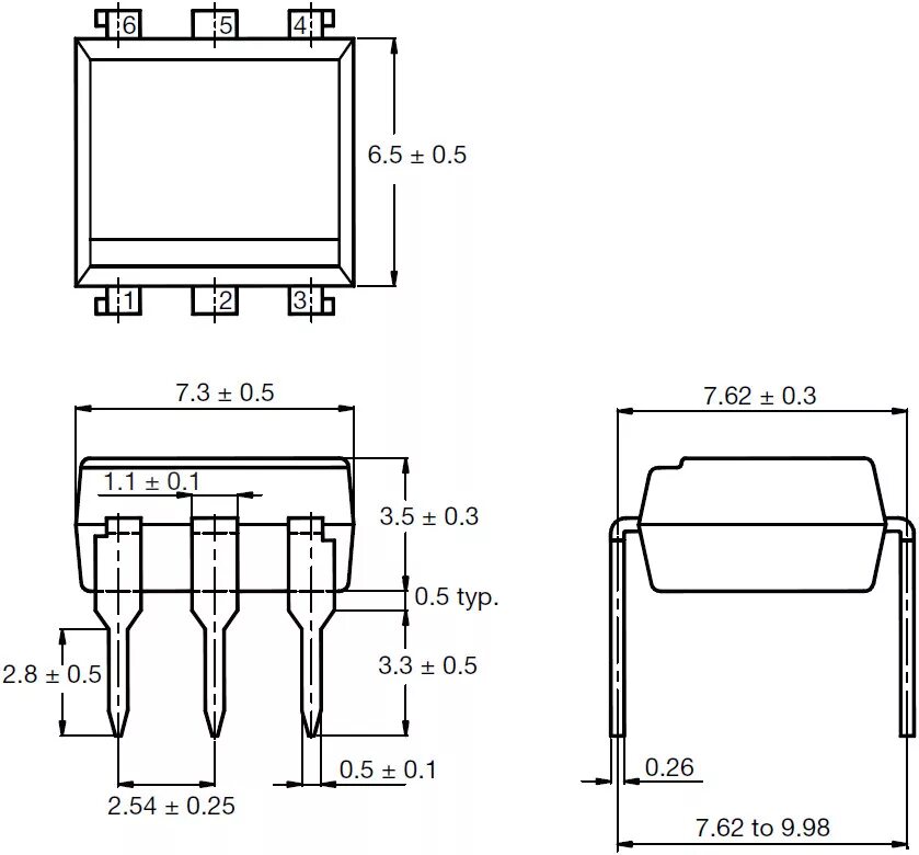
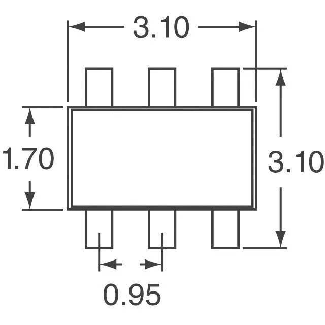
А6 корпус