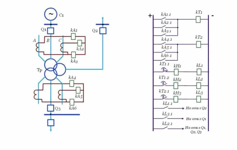
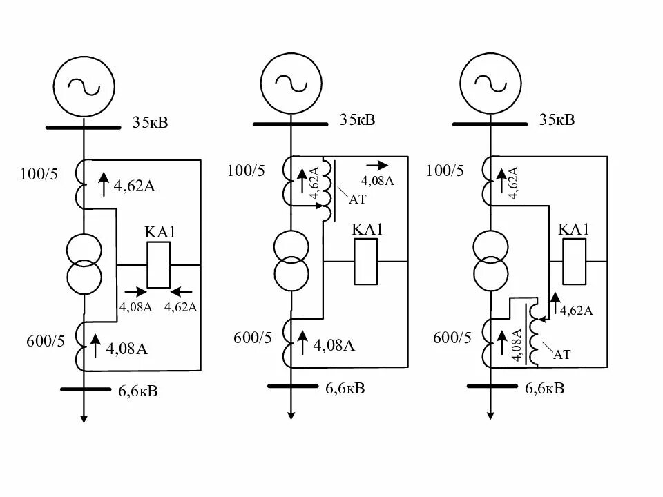
5 защит трансформатора