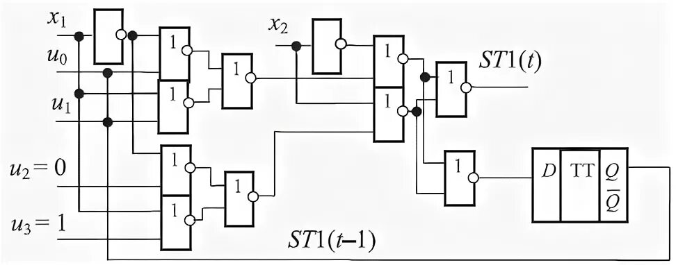
4 уровней схема