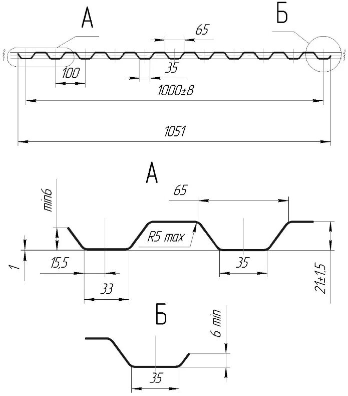
21 профиль профнастил