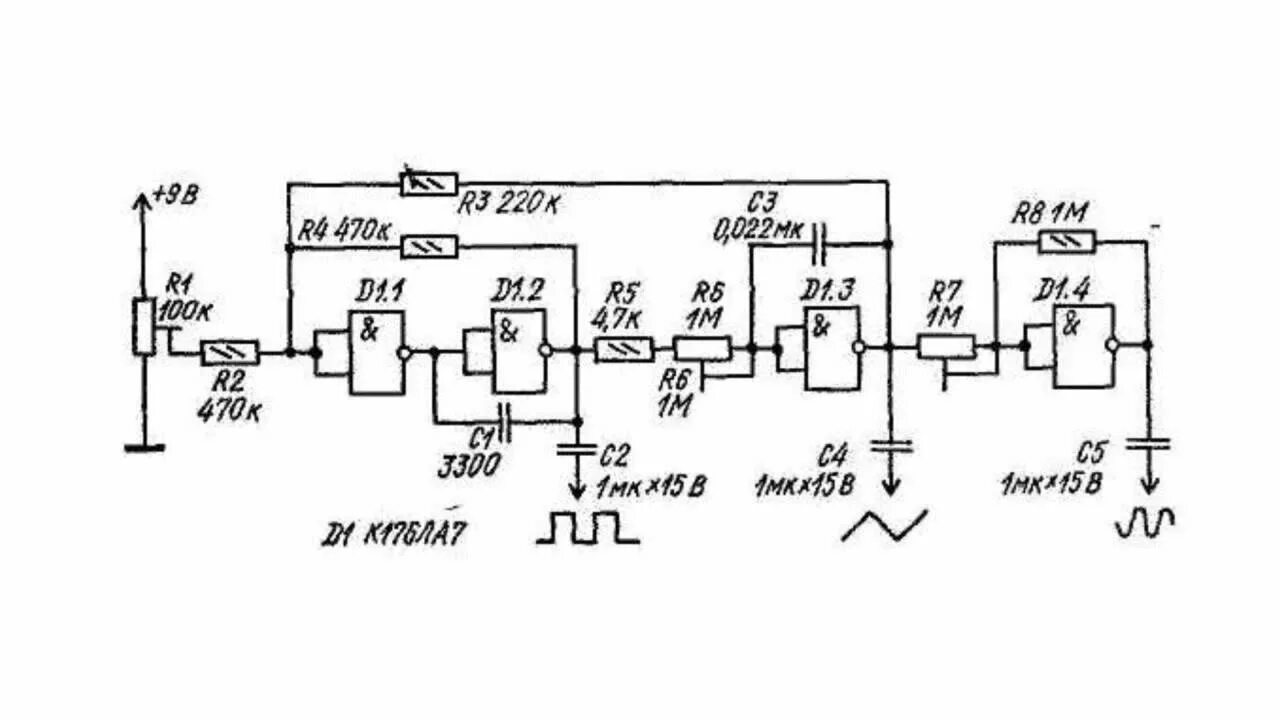
176 гц