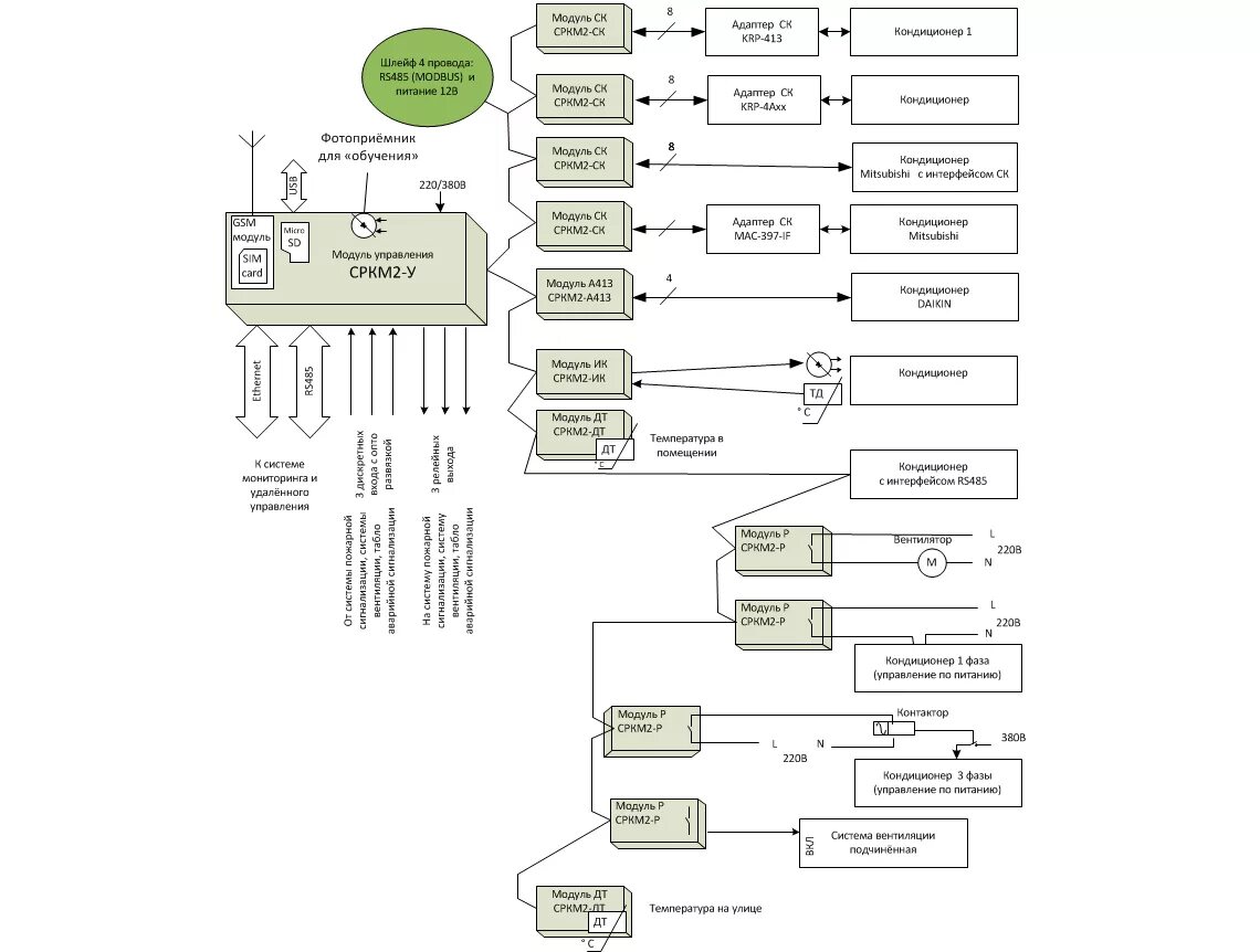
1 управляющий модуль управляющий модуль